autoua
×
Autoua.netФорумRenault, Dacia форум

Устройство задержки выключения света в салоне автомобиля

читатель
Сообщения: 5
С нами с 20.09.2004

Устройство задержки выключения света в салоне автомобиля
      20 сентября 2004 в 12:03 Гілками

Приветик, народ!

Вота очумелыя ручки опять зачесались....

Появилась идея соорудить вот такую штуку - Устройство задержки выключения света в салоне автомобиля. О!

Схему нашел несложную, изготовить сей девайс, кажется, нетрудно.

Сама схема находится по адресу http://dimasen.narod.ru/servis/003.htm

НО ....

Дядьки, подскажите, пожалуйста, тупому...

Какое же реле нужно ставить в схему "Устройство задержки выключения света в салоне автомобиля"

Прийду я в магазин и что скажу,"дайте мне реле из монтажного блока"?...

У кого какие будут идеи???


Роздрукувати   Нагадати!   Сповістити модератора   Відправити по E-mail
Супер писатель! ***
Киев
Сообщения: 2821
С нами с 02.05.2002

Re: Устройство задержки выключения света в салоне автомобиля [Re: baly748]
      20 сентября 2004 в 16:07 Гілками

это обычное автомобильное реле с нормально разомкнутыми контактами, стоило 5 гр . Их полно. Обычно - черный пластмасовый корпус.

Змінено GrinBell (16:07 20/09/2004)


Роздрукувати   Нагадати!   Сповістити модератора   Відправити по E-mail
шумоизолятор ***
43 года (24 года за рулем), Киев
Сообщения: 19880
С нами с 06.07.2001

можешь сказать так (+) [Re: baly748]
      20 сентября 2004 в 16:36 Гілками

дайте мне реле ближнего/дальнего света от классических жигулей

Собственно, это один из примеров реле с нормально разомкнутыми контактами, о котором писал Grinbell


Роздрукувати   Нагадати!   Сповістити модератора   Відправити по E-mail
читатель
Сообщения: 5
С нами с 20.09.2004

Re: Устройство задержки выключения света в салоне автомобиля [Re: baly748]
      20 сентября 2004 в 19:40 Гілками

Спасибо, огромное!!! Пойду за релюшкой!

Ежели у кого-нить еще есть какие-то соображения по этому поводу - пишите! Потому как пойду аж в конце месяца, когда з.п. получу!


Роздрукувати   Нагадати!   Сповістити модератора   Відправити по E-mail
старожил *
27 лет за рулем, Киев
Сообщения: 688
С нами с 15.04.2004

Проблемка, однако... [Re: baly748]
      5 октября 2004 в 14:48 Гілками

Приветик, народ!

Схемку собрал - работает. Детали - копеечные.

Все хорошо, но есть один вопросик.

Как и задумано, реле отключает свет через 4-5 секунд после закрытия двери.
Но именно выключает, а хоцца чтоб свет плавно погас. Что тут можно доработать?


Роздрукувати   Нагадати!   Сповістити модератора   Відправити по E-mail
старожил *
27 лет за рулем, Киев
Сообщения: 688
С нами с 15.04.2004

Re: Устройство задержки выключения света в салоне автомобиля [Re: baly748]
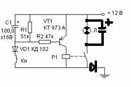
      17 октября 2004 в 16:53 Гілками Прикріплені файли (26 завантажити)

Уря!!!! Получилось!!!

Теперь свет не только выключается через 4-5 сек. после закрытия двери, но и плавно при этом гаснет (в течение 2-х сек.)!!!

Доработка схемы состоит в параллельном подключении конденсатора к лампе. Емкость - 60-80 тыс. мкФ. ну и + диодик для предотвращения разряда кондера через цепи сигнализации, ежели таковая имеется.

Конденсатор: 16v - можно больше ёмкость считается по формуле: C = I * t / U, где C - ёмкость в Фарадах (!); I - ток горения лампочки, Ампер; t - время гашения лампочки, секунд; U - напряжение на лампочке, Вольт. Например, C = 0,5 * 2 / 12 = 80 000 мкФ 1 мкФ = 0,001 Фарада

Добавляю картинку доработанной схемы.

P.S. Оригинальная схема + описание находится на http://dimasen.narod.ru/servis/003.htm


Все. Всем спасибо.

Уря.


Роздрукувати   Нагадати!   Сповістити модератора   Відправити по E-mail
Autoua.netФорумRenault, Dacia форум
Додаткова інформація
0 користувачів і 0 що побажали залишитися невідомими читають цей форум.

Модератор:  Eli, moderator 

Роздрукувати всю тему

Права
      Ви не можете створювати нові теми
      Ви не можете відповідати на повідомлення
      HTML дозволений
      UBBCode дозволений

Рейтинг:
Переглядів теми: 8180

Оціните цю тему

Перейти в

Правила конференції | Календар | FAQ | Карта розділу | Мобільна версія