autoua
×
Autoua.netФорумРадіо

Радиолюбительское курилко-флудилко! ver12 (56/64)

энтузиаст *
33 года за рулем, Обухов KO50HC
Сообщения: 207
С нами с 27.05.2010

Re: Радиолюбительское курилко-флудилко! ver12 [Re: nivus]
      19 февраля 2016 в 19:50 Гілками

nivus 16.02.2016 10:00 пишет:

Ну якщо російська тобі не підходить, тоді в інтернеті повно англомовних копій



Дайте хоть на російській.


Роздрукувати   Нагадати!   Сповістити модератора   Відправити по E-mail
Хамло **
Animal Farm
Сообщения: 12727
С нами с 21.04.2008

Re: Радиолюбительское курилко-флудилко! ver12 [Re: МАРТОВСКИЙ_КОТ]
      21 февраля 2016 в 21:46 Гілками

процесс идет...





Роздрукувати   Нагадати!   Сповістити модератора   Відправити по E-mail
member
27 лет, Киев
Сообщения: 127
С нами с 24.05.2013

Re: Радиолюбительское курилко-флудилко! ver12 [Re: Holms]
      28 февраля 2016 в 11:56 Гілками Прикріплені файли (0 завантажити)

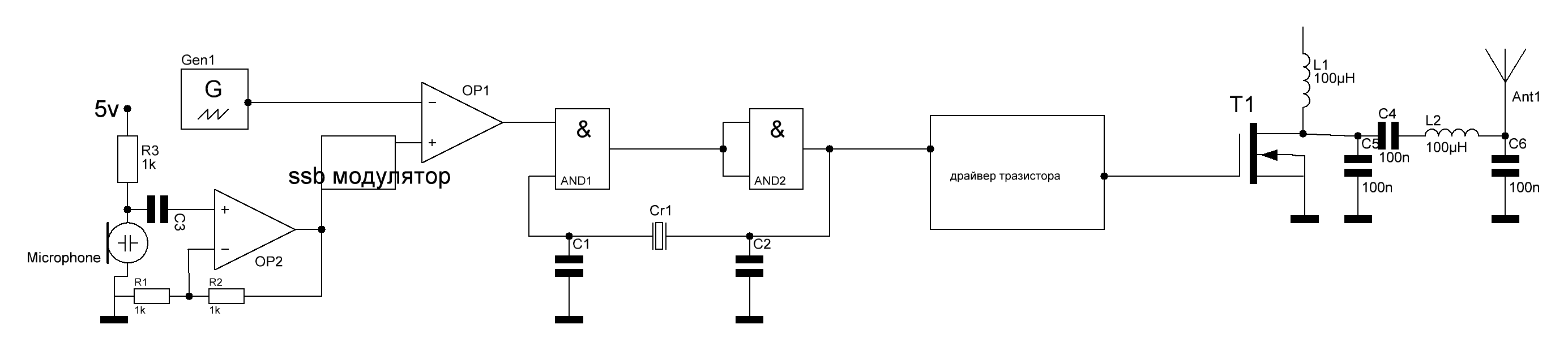
шалом шалом шалом , давненько у меня крутится идейка передатчика на логике , рисовал на быструю руку. P.s в схемке ошибки, там нужно ставить NAND

шалом шалом шалом , давненько у меня крутится идейка  передатчика на логике , рисовал на быструю руку. P

Змінено ut4uro (11:58 28/02/2016)


Роздрукувати   Нагадати!   Сповістити модератора   Відправити по E-mail
Хамло **
Animal Farm
Сообщения: 12727
С нами с 21.04.2008

Re: Радиолюбительское курилко-флудилко! ver12 [Re: Holms]
      28 февраля 2016 в 16:11 Гілками

проход на 18Мгц. даже на мою удочку можно работать




Роздрукувати   Нагадати!   Сповістити модератора   Відправити по E-mail
Хамло **
Animal Farm
Сообщения: 12727
С нами с 21.04.2008

Re: Радиолюбительское курилко-флудилко! ver12 [Re: Holms]
      4 марта 2016 в 19:04 Гілками



Роздрукувати   Нагадати!   Сповістити модератора   Відправити по E-mail
Достоевский **
krk.pl
Сообщения: 9127
С нами с 14.10.2002

Re: Радиолюбительское курилко-флудилко! ver12 [Re: US7IGN]
      4 марта 2016 в 22:17 Гілками

US7IGN 04.03.2016 19:04 пишет:





Ктонибудь скажет, что это?
Пока узнал только мелкую ардуину.


Роздрукувати   Нагадати!   Сповістити модератора   Відправити по E-mail
Хамло **
Animal Farm
Сообщения: 12727
С нами с 21.04.2008

Re: Радиолюбительское курилко-флудилко! ver12 [Re: macman]
      4 марта 2016 в 22:28 Гілками

полная история проекта здесь

я все никак схему полную не нарисую...


Роздрукувати   Нагадати!   Сповістити модератора   Відправити по E-mail
Достоевский **
krk.pl
Сообщения: 9127
С нами с 14.10.2002

Re: Радиолюбительское курилко-флудилко! ver12 [Re: US7IGN]
      4 марта 2016 в 23:51 Гілками

US7IGN 04.03.2016 22:28 пишет:

полная история проекта здесь

я все никак схему полную не нарисую...



Агк, таки я не ошибся насчет sa612. Удачи


Роздрукувати   Нагадати!   Сповістити модератора   Відправити по E-mail
Хамло **
Animal Farm
Сообщения: 12727
С нами с 21.04.2008

Re: Радиолюбительское курилко-флудилко! ver12 [Re: macman]
      5 марта 2016 в 09:14 Гілками



Роздрукувати   Нагадати!   Сповістити модератора   Відправити по E-mail
Хамло **
Animal Farm
Сообщения: 12727
С нами с 21.04.2008

Re: Радиолюбительское курилко-флудилко! ver12 [Re: Holms]
      6 марта 2016 в 20:04 Гілками

весна - пора картофелеводить!
KO50JJ


Роздрукувати   Нагадати!   Сповістити модератора   Відправити по E-mail
старый писатель *
Сообщения: 756
С нами с 27.09.2009

Re: Радиолюбительское курилко-флудилко! ver12 [Re: US7IGN]
      6 марта 2016 в 20:37 Гілками

US7IGN 06.03.2016 20:04 пишет:

весна - пора картофелеводить!
KO50JJ




Корейко, каждый раз на новой машине


Роздрукувати   Нагадати!   Сповістити модератора   Відправити по E-mail
Хамло **
Animal Farm
Сообщения: 12727
С нами с 21.04.2008

Re: Радиолюбительское курилко-флудилко! ver12 [Re: CTAH]
      6 марта 2016 в 20:47 Гілками

CTAH 06.03.2016 20:37 пишет:

каждый раз на новой машине




та не говори - на моей меня видели единицы


Роздрукувати   Нагадати!   Сповістити модератора   Відправити по E-mail
Hombre Rayo **
Киев
Сообщения: 25170
С нами с 08.05.2005

Re: Радиолюбительское курилко-флудилко! ver12 [Re: US7IGN]
      8 марта 2016 в 00:59 Гілками

US7IGN 06.03.2016 20:47 пишет:

та не говори - на моей меня видели единицы



Я тебя вообще пешком видел - теперь не знаю, что и думать.


Роздрукувати   Нагадати!   Сповістити модератора   Відправити по E-mail
Хамло **
Animal Farm
Сообщения: 12727
С нами с 21.04.2008

Re: Радиолюбительское курилко-флудилко! ver12 [Re: Holms]
      4 апреля 2016 в 22:20 Гілками

процесс окончен



Роздрукувати   Нагадати!   Сповістити модератора   Відправити по E-mail
member
27 лет, Киев
Сообщения: 127
С нами с 24.05.2013

Re: Радиолюбительское курилко-флудилко! ver12 [Re: US7IGN]
      5 апреля 2016 в 20:44 Гілками

ВАУ можно открывать линию по производству

Роздрукувати   Нагадати!   Сповістити модератора   Відправити по E-mail
Супер писатель! ****
Сообщения: 2631
С нами с 22.02.2010

Re: Радиолюбительское курилко-флудилко! ver12 [Re: ut4uro]
      5 апреля 2016 в 20:53 Гілками

ut4uro 05.04.2016 20:44 пишет:

ВАУ можно открывать линию по производству




открывай
дадим всю доку
будет приличный украинский кит


Роздрукувати   Нагадати!   Сповістити модератора   Відправити по E-mail
Хамло **
Animal Farm
Сообщения: 12727
С нами с 21.04.2008

Re: Радиолюбительское курилко-флудилко! ver12 [Re: Holms]
      6 апреля 2016 в 13:35 Гілками
приверженец *
Киев
Сообщения: 483
С нами с 08.10.2008

Re: Радиолюбительское курилко-флудилко! ver12 [Re: US7IGN]
      7 апреля 2016 в 08:27 Гілками

"процесс окончен"

Дизайн оргинальный,"Весчь"

П.С.А что за акумулятор, 15В? Интересуюсь т.к.сейчас занимаюсь автономным питанием на SW-ку.

Змінено niknik2 (08:31 07/04/2016)


Роздрукувати   Нагадати!   Сповістити модератора   Відправити по E-mail
Хамло **
Animal Farm
Сообщения: 12727
С нами с 21.04.2008

Re: Радиолюбительское курилко-флудилко! ver12 [Re: Holms]
      14 апреля 2016 в 22:51 Гілками

это не аккумулятор, а зарядка с АА-230 =)
З.Ы. я сейчас выбрал такой http://www.dx.com/ru/p/ysd-12680-recharg...20#.Vw_ugPmLTIX , но с доставкой через германию нужно заморачиваться. если интересно - давай скооперируемся.


Роздрукувати   Нагадати!   Сповістити модератора   Відправити по E-mail
энтузиаст ****
Киев
Сообщения: 264
С нами с 18.02.2011

Re: Радиолюбительское курилко-флудилко! ver12 [Re: US7IGN]
      15 апреля 2016 в 01:09 Гілками

US7IGN 14.04.2016 22:51 пишет:

это не аккумулятор, а зарядка с АА-230 =)
З.Ы. я сейчас выбрал такой http://www.dx.com/ru/p/ysd-12680-recharg...20#.Vw_ugPmLTIX , но с доставкой через германию нужно заморачиваться. если интересно - давай скооперируемся.



здесь дешевле. http://ru.aliexpress.com/item/High-Quali...archweb201556_6,searchweb201602_2_10037_10034_507_10032_508_10020_10017_10005_10006_10021_10022_10018_10019,searchweb201603_9&btsid=6a2546be-4689-4bf4-a992-bb898b006290
а зачем через германию?

Змінено pecherskiy (01:10 15/04/2016)


Роздрукувати   Нагадати!   Сповістити модератора   Відправити по E-mail
Autoua.netФорумРадіо
Додаткова інформація
0 користувачів і 3 що побажали залишитися невідомими читають цей форум.

Модератор:  plexmen, moderator 

Роздрукувати всю тему

Права
      Ви не можете створювати нові теми
      Ви не можете відповідати на повідомлення
      HTML дозволений
      UBBCode дозволений

Рейтинг:
Переглядів теми: 242213

Оціните цю тему

Перейти в

Правила конференції | Календар | FAQ | Карта розділу | Мобільна версія