autoua
×
Autoua.netФорумБудівництво та ремонт нерухомості

Заземление в гараже

энтузиаст ***
52 года, Киев
Сообщения: 261
С нами с 10.01.2005

Заземление в гараже
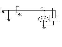
      28 сентября 2006 в 18:16 Гілками Прикріплені файли (21 завантажити)

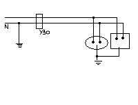
Электрики помогайте, какая схема правильная, вот три нарисовал...

Электрики помогайте, какая схема правильная, вот три нарисовал.


Роздрукувати   Нагадати!   Сповістити модератора   Відправити по E-mail
энтузиаст ***
52 года, Киев
Сообщения: 261
С нами с 10.01.2005

Re: Заземление в гараже [Re: slav_t]
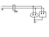
      28 сентября 2006 в 18:17 Гілками Прикріплені файли (11 завантажити)

2

2


Роздрукувати   Нагадати!   Сповістити модератора   Відправити по E-mail
энтузиаст ***
52 года, Киев
Сообщения: 261
С нами с 10.01.2005

Re: Заземление в гараже [Re: slav_t]
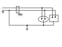
      28 сентября 2006 в 18:17 Гілками Прикріплені файли (9 завантажити)

3

3


Роздрукувати   Нагадати!   Сповістити модератора   Відправити по E-mail
энтузиаст ***
52 года, Киев
Сообщения: 261
С нами с 10.01.2005

Re: Заземление в гараже [Re: slav_t]
      28 сентября 2006 в 18:22 Гілками

В гараже 1-фазный, 220. Но есть сварка, автомат стоит 25А, УЗО хочу поставить и землю. По конструкции самого заземления вопросов нет, чего и как вбивать в землю вроде знаю. А вот сомнения сколько их заземлений надо.. (по 3 рис 2 шт. вышло) И понятие шина заземления для меня не очень понятно..

Роздрукувати   Нагадати!   Сповістити модератора   Відправити по E-mail
опытный писатель ***
Киев
Сообщения: 1406
С нами с 14.05.2002

ИМХО №1 (-) [Re: slav_t]
      28 сентября 2006 в 19:39 Гілками

1

Роздрукувати   Нагадати!   Сповістити модератора   Відправити по E-mail
важничающий писатель ***
52 года, Одесса
Сообщения: 1656
С нами с 09.07.2001

А зачем заземлять нулевой провод ? (+) [Re: slav_t]
      28 сентября 2006 в 20:26 Гілками

Первая схема рулит

Роздрукувати   Нагадати!   Сповістити модератора   Відправити по E-mail
энтузиаст ***
52 года, Киев
Сообщения: 261
С нами с 10.01.2005

Re: А зачем заземлять нулевой провод ? (+) [Re: nika]
      29 сентября 2006 в 09:26 Гілками

ТОГДА Я ЭТОГО НЕ ПОНИМАЮ....:

"Повторное заземление нулевого провода на вводе осуществляется с помощью заземлителя, состоящего из одного или лучше нескольких стальных стержней диаметром не менее 12 мм или отрезков угловой стали с толщиной стенки не менее 4 мм, обеспечивающих требуемое сопротивление в зависимости от удельного сопротивления грунта, что определяется проектом."

п. 1.7.39 ПКЭ, который гласит: «В электроустановках до 1 кВ с глухозаземленной нейтралью или глухозаземленным выводом источника однофазного тока, а также с глухозаземленной средней точкой в трехпроводных сетях постоянного тока должно быть выполнено зануление. Применение в таких электроустановках заземления корпусов электроприемников без их зануления не допускается...».


Роздрукувати   Нагадати!   Сповістити модератора   Відправити по E-mail
энтузиаст ***
52 года, Киев
Сообщения: 261
С нами с 10.01.2005

Re: А зачем заземлять нулевой провод ? (+) [Re: slav_t]
      29 сентября 2006 в 09:43 Гілками

И в как не нарушить это требование: "...каждая часть электроустановки, подлежащая заземлению (занулению), должна быть присоединена к сети заземления (зануления) с помощью отдельного проводника. Последовательное включение в заземляющий или нулевой защитный проводник заземляемых частей электроустановки запрещается."

Роздрукувати   Нагадати!   Сповістити модератора   Відправити по E-mail
54 года (30 лет за рулем), Киев
Сообщения: 3035
С нами с 12.02.2004

Re: Заземление в гараже [Re: slav_t]
      29 сентября 2006 в 11:34 Гілками

А как вообще сделать правильно заземление при одной фазе?Тоже придётся делать по весне.

Роздрукувати   Нагадати!   Сповістити модератора   Відправити по E-mail
V.I.P ***
52 года (29 лет за рулем), Мюнхен
Сообщения: 18435
С нами с 23.08.2001

Заземление делается в землю (+) [Re: << Алекс >>]
      29 сентября 2006 в 11:48 Гілками

В ответ на:

А как вообще сделать правильно заземление при одной фазе?Тоже придётся делать по весне.



Заземление делается только в землю штырями и никак иначе (выше была цитата про выбор штырей). Никаких отводов от нулевого провода (т.е. при обрыве нуля в этом случае на корпусе прибора будет чистейшая фаза).

В условиях многоквартирного многоэтажного дома, где с 9-го этажа штыри до земли тянуть не получится, заземление делается ОТДЕЛЬНЫМ проводом до щитка в подъезде и там надежно цепляется на шину заземления (на щитке заземление сделано уже правильно и надежно).




Роздрукувати   Нагадати!   Сповістити модератора   Відправити по E-mail
важничающий писатель ***
52 года, Одесса
Сообщения: 1656
С нами с 09.07.2001

Re: А зачем заземлять нулевой провод ? (+) [Re: slav_t]
      29 сентября 2006 в 11:49 Гілками

В ответ на:

"...каждая часть электроустановки, подлежащая заземлению (занулению), должна быть присоединена к сети заземления (зануления) с помощью отдельного проводника.



забиваем в землю штырь. Каждый электродвигатель прикручиваем к этому штырю отдельным проводом
В ответ на:

Последовательное включение в заземляющий или нулевой защитный проводник заземляемых частей электроустановки запрещается



забиваем в землю штырь. От штыря один провод тянем на 1-й эл. двигатель, от него - на 2-й и т.д. Так нельзя


Роздрукувати   Нагадати!   Сповістити модератора   Відправити по E-mail
важничающий писатель ***
52 года, Одесса
Сообщения: 1656
С нами с 09.07.2001

Re: А зачем заземлять нулевой провод ? (+) [Re: slav_t]
      29 сентября 2006 в 11:53 Гілками

В ответ на:

ТОГДА Я ЭТОГО НЕ ПОНИМАЮ....:

"Повторное заземление нулевого провода на вводе...



А что перед этим было написано? К чему это относится?

ИМХО, не заморачивайся. Сделай нормальное заземление в розетках. И в яму на освещение обязательно трансформатор 36В, который ставится НЕ в яме.


Роздрукувати   Нагадати!   Сповістити модератора   Відправити по E-mail
энтузиаст ***
52 года, Киев
Сообщения: 261
С нами с 10.01.2005

Re: А зачем заземлять нулевой провод ? (+) [Re: nika]
      29 сентября 2006 в 12:11 Гілками

"...На практике встречается также ошибочное заземление отдельного электроприемника или группы электроприемников на обособленный заземлитель, не связанный с нейтралью трансформатора. Эта схема заземления напоминает схему ТТ, с той лишь разницей, что при этом нарушается п. 1.7.39 ПКЭ..(про зануление). Это требование вызвано тем, что обеспечить электробезопасность при такой схеме невозможно. Показан вынос потенциала при коротком замыкании на корпус электроприемника, заземленного на обособленный (незануленный) заземлитель. Потенциал на корпусе будет обусловлен падением напряжения в фазном проводнике до точки КЗ и падением напряжения в сопротивлении заземлителя 2, в среде (в земле и конструкциях) и в сопротивлении заземлителя 1. Сопротивление цепи короткого замыкания при этом будет больше сопротивления цепи «фаза-ноль», исходя из параметров которого выбирается защитный автомат, и короткое замыкание, скорее всего, не будет отключено действием максимальной токовой защиты. При этом на корпус будет вынесен потенциал, близкий к фазному напряжению, что создаст угрозу для жизни людей."

Так по мануалам всеж повторно занулять выходит..


Роздрукувати   Нагадати!   Сповістити модератора   Відправити по E-mail
энтузиаст ***
52 года, Киев
Сообщения: 261
С нами с 10.01.2005

Re: А зачем заземлять нулевой провод ? (+) [Re: nika]
      29 сентября 2006 в 12:26 Гілками

В ответ на:

В ответ на:

"...каждая часть электроустановки, подлежащая заземлению (занулению), должна быть присоединена к сети заземления (зануления) с помощью отдельного проводника.



забиваем в землю штырь. Каждый электродвигатель прикручиваем к этому штырю отдельным проводом.






Ты видимо хотел сказать к общей шине заземления? А от неё к штырю, точнее к 3-м соединенным.

Змінено slav_t (12:54 29/09/2006)


Роздрукувати   Нагадати!   Сповістити модератора   Відправити по E-mail
важничающий писатель ***
52 года, Одесса
Сообщения: 1656
С нами с 09.07.2001

Re: А зачем заземлять нулевой провод ? (+) [Re: slav_t]
      29 сентября 2006 в 15:12 Гілками

В ответ на:

Ты видимо хотел сказать к общей шине заземления? А от неё к штырю



Примерно так


Роздрукувати   Нагадати!   Сповістити модератора   Відправити по E-mail
важничающий писатель ***
52 года, Одесса
Сообщения: 1656
С нами с 09.07.2001

Не заморачивайся. (+) [Re: slav_t]
      29 сентября 2006 в 15:37 Гілками

Если фаза е@&нёт на корпус, а корпус будет заземлен, то должно сработать УЗО.
А если ноль будет заземлен и электрик переставит местами фазу и ноль, то


Роздрукувати   Нагадати!   Сповістити модератора   Відправити по E-mail
энтузиаст ***
52 года, Киев
Сообщения: 261
С нами с 10.01.2005

Re: Не заморачивайся. (+) [Re: nika]
      29 сентября 2006 в 16:43 Гілками

Э... а скажи к чему именно эта фраза в ПКЭ: "заземления корпусов электроприемников без их зануления не допускается" . Чего имелось ввиду?

Роздрукувати   Нагадати!   Сповістити модератора   Відправити по E-mail
энтузиаст ***
52 года, Киев
Сообщения: 261
С нами с 10.01.2005

Re: Не заморачивайся. (+) [Re: nika]
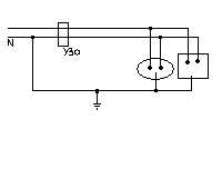
      29 сентября 2006 в 16:52 Гілками Прикріплені файли (3 завантажити)

Показан вынос потенциала при коротком замыкании на корпус электроприемника, заземленного на обособленный заземлитель. Отключение КЗ произойдет за счет действия тепловой защиты автоматического выключателя, но время отключения КЗ при этом превысит нормируемые значения.

Показан вынос потенциала при коротком замыкании на корпус электроприемника, заземленного на обособленный заземлитель. Отключение КЗ произойдет за счет действия тепловой защиты автоматического выключателя, но время отключения КЗ при этом превысит нормируемые значения


Роздрукувати   Нагадати!   Сповістити модератора   Відправити по E-mail
энтузиаст ****
52 года, Кременчуг
Сообщения: 316
С нами с 17.08.2005

Re: Не заморачивайся. (+) [Re: slav_t]
      29 сентября 2006 в 21:03 Гілками

Вообще по этому поводу трепа уже было...
Все ты красиво нарисовал. Теперь все корпуса (т. е. НЕТОКОВЕДУЩИЕ металлические части электрооборудования, которые в аварийном режиме могут оказаться под напряжением) соединяются с магистральным защитным нулевым проводником.

Применять защитное заземление без защитного зануления в сетях с глухо- или эффективно заземленной нейтралью запрещено!

У тебя все прекрасно показано на рисунке. Сети 0.4 / 0.22 кВ у нас в быту - с глухозаземленной нейтралью.
УЗО в этом случае ставится, по ходу к потребителю/лям, после точки разветвления нуля на рабочий и повторный защитный и охватывает фазный и рабочий нулевой проводники.
В яме я бы рекомендовал не 36, а 12 В.

Итого, схема № 2.

Змінено Юджин (21:08 29/09/2006)


Роздрукувати   Нагадати!   Сповістити модератора   Відправити по E-mail
энтузиаст ***
52 года, Киев
Сообщения: 261
С нами с 10.01.2005

Re: Не заморачивайся. (+) [Re: Юджин]
      29 сентября 2006 в 22:50 Гілками

В ответ на:

Вообще по этому поводу трепа уже было...





Ну не скажи.. треп только на тему какие штыри да как зарывать, а вот по схеме.. Думаю 90% так и зарыло отдельно без 0.


Роздрукувати   Нагадати!   Сповістити модератора   Відправити по E-mail
Autoua.netФорумБудівництво та ремонт нерухомості
Додаткова інформація
0 користувачів і 35 що побажали залишитися невідомими читають цей форум.

Модератор:  moderator, Outdriver 

Роздрукувати всю тему

Права
      Ви не можете створювати нові теми
      Ви не можете відповідати на повідомлення
      HTML дозволений
      UBBCode дозволений

Рейтинг:
Переглядів теми: 5045

Оціните цю тему

Перейти в

Правила конференції | Календар | FAQ | Карта розділу | Мобільна версія