autoua
×
Autoua.netФорумРадіо

Фон 50Гц в усилителе

СуперСтар ***
56 лет (20 лет за рулем), Киев
Сообщения: 4417
С нами с 28.08.2005

Фон 50Гц в усилителе
      29 декабря 2019 в 12:59 Гілками Прикріплені файли (0 завантажити)

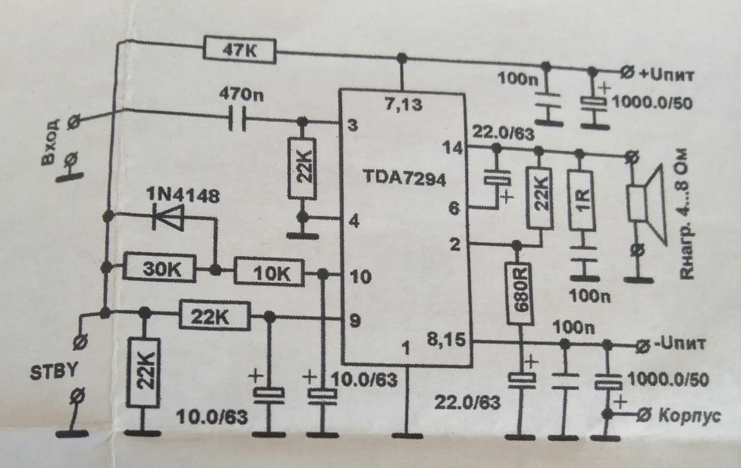
Есть моно-усилитель звука, собраный по схеме (см. присоединенные) на TDA7244. Полгода отработал без всяких проблем. А потом начался фоновый шум на 50Гц. Причем не сразу, а секунды через 3-5 после включения сети. Пробовал отсоединять входящий сигнал от платы вообще - шум есть. Проверял соединение нуля. Между "корпус"-входом-выходом сопротивление меньше 1 ом. Пробовал отодвигать блок питания (трансформатор+диодный мост+4700мкФ) на расстояние 30см от платы - никак не влияет. Очень похоже на какой-то конденсатор, но какой?

Есть моно-усилитель звука, собраный по схеме (см. присоединенные) на TDA7244


Роздрукувати   Нагадати!   Сповістити модератора   Відправити по E-mail
Достоевский *
Киев
Сообщения: 9032
С нами с 08.06.2013

Re: Фон 50Гц в усилителе [Re: sigma]
      29 декабря 2019 в 13:01 Гілками

Самый первый по питанию.

Роздрукувати   Нагадати!   Сповістити модератора   Відправити по E-mail
СуперСтар ***
56 лет (20 лет за рулем), Киев
Сообщения: 4417
С нами с 28.08.2005

Re: Фон 50Гц в усилителе [Re: Rucha]
      29 декабря 2019 в 13:02 Гілками

Под замену? Или просто пайка плохая?

Роздрукувати   Нагадати!   Сповістити модератора   Відправити по E-mail
Достоевский *
Киев
Сообщения: 9032
С нами с 08.06.2013

Re: Фон 50Гц в усилителе [Re: sigma]
      29 декабря 2019 в 13:23 Гілками

Померять емкость и esr, а если нечем, то просто поменять.

Роздрукувати   Нагадати!   Сповістити модератора   Відправити по E-mail
СуперСтар ***
56 лет (20 лет за рулем), Киев
Сообщения: 4417
С нами с 28.08.2005

Re: Фон 50Гц в усилителе [Re: Rucha]
      29 декабря 2019 в 13:35 Гілками

Померять нечем Поменял оба 1000 конденсатора - не помогло.

Роздрукувати   Нагадати!   Сповістити модератора   Відправити по E-mail
Достоевский *
Киев
Сообщения: 9032
С нами с 08.06.2013

Re: Фон 50Гц в усилителе [Re: sigma]
      29 декабря 2019 в 13:50 Гілками

Значит проблема в БП. Там тоже есть конденсатор(ы) на выходе.

Роздрукувати   Нагадати!   Сповістити модератора   Відправити по E-mail
СуперСтар ***
56 лет (20 лет за рулем), Киев
Сообщения: 4417
С нами с 28.08.2005

Re: Фон 50Гц в усилителе [Re: Rucha]
      29 декабря 2019 в 15:19 Гілками

Rucha 29.12.2019 13:50 пишет:

Значит проблема в БП. Там тоже есть конденсатор(ы) на выходе.



Спасибо! Таки да Выпаяные 2*1000 я добавил в БП. Фон ушел на границу слышимрсти.


Роздрукувати   Нагадати!   Сповістити модератора   Відправити по E-mail
Autoua.netФорумРадіо
Додаткова інформація
0 користувачів і 8 що побажали залишитися невідомими читають цей форум.

Модератор:  plexmen, moderator 

Роздрукувати всю тему

Права
      Ви не можете створювати нові теми
      Ви не можете відповідати на повідомлення
      HTML дозволений
      UBBCode дозволений

Рейтинг:
Переглядів теми: 24659

Оціните цю тему

Перейти в

Правила конференції | Календар | FAQ | Карта розділу | Мобільна версія