autoua
×
Autoua.netФорумЗапитати Autoua

Задние стоп-сигналы (трабл)

Достоевский **
43 года (26 лет за рулем), Киев
Сообщения: 7375
С нами с 25.10.2007

Задние стоп-сигналы (трабл)
      21 сентября 2020 в 20:27 Гілками

Собственно, профильный авто.
Задние габариты и стопы, включая дополнительный, диодные. Остальное - лампочки обычные.

Обнаружил сегодня проблему благодаря соседу, который за мной ехал. При нажатии на педаль тормоза чуть-чуть, с кучи диодов светят четко по 2 крайних на обоих фарах (как на новых тойотах, блин.. сосед ещё прикольнулся, говорит, у тебя двухрежимная оптика, что ли?), а центральный, на спойлере, еле-еле. Если нажать сильнее - светят как-то через раз. Т.е. то тухнут нафик, то все включаются, как обычно.

Системности не заметил, нажимал по разному. Может нормально включаться стоп-сигнал, а может вот с таким спецэффектом.

Если включить габариты - стопы вроде бы работают нормально. При тесте, по крайней мере, ни разу не сбоил. При нажатии все светит, как обычно, не завися от усилия нажатия на педаль.

Первая мысля была - драйвер управления, но вроде не катит, т.к. предыдущий хозяин его менял. Созвонился, говорит, что фару вообще отрубило тогда. Сейчас все работает, но как-то глючно и непонятно. Как вроде питания не хватает, когда габариты не включены.

Может быть предохранитель? Уже поздно и темно, не очень удобно было лазить, решил утром ещё разок затестить разные варианты, заодно и предохранители глянуть. Вроде есть отдельные на стоп сигналы.

Диоды при нормальной работе все светят как надо, сгоревших нет, включая доп. сигнал.
Ещё, крайние пару дней заметил, что пара диодов на подсветке экранов приборки помигивают. Может быть взаимосвязано?

Короче, до утра принимаю советы, куда смотреть.

Змінено $corpioN (20:29 21/09/2020)


Роздрукувати   Нагадати!   Сповістити модератора   Відправити по E-mail
V.I.P. ***
Киев
Сообщения: 37872
С нами с 21.07.2001

Re: Задние стоп-сигналы (трабл) [Re: $corpioN]
      21 сентября 2020 в 20:33 Гілками

$corpioN 21.09.2020 20:27 пишет:

Собственно, профильный авто.
Задние габариты и стопы, включая дополнительный, диодные. Остальное - лампочки обычные.

Обнаружил сегодня проблему благодаря соседу, который за мной ехал. При нажатии на педаль тормоза чуть-чуть, с кучи диодов светят четко по 2 крайних на обоих фарах (как на новых тойотах, блин.. сосед ещё прикольнулся, говорит, у тебя двухрежимная оптика, что ли?), а центральный, на спойлере, еле-еле. Если нажать сильнее - светят как-то через раз. Т.е. то тухнут нафик, то все включаются, как обычно.

Системности не заметил, нажимал по разному. Может нормально включаться стоп-сигнал, а может вот с таким спецэффектом.

Если включить габариты - стопы вроде бы работают нормально. При тесте, по крайней мере, ни разу не сбоил. При нажатии все светит, как обычно, не завися от усилия нажатия на педаль.

Первая мысля была - драйвер управления, но вроде не катит, т.к. предыдущий хозяин его менял. Созвонился, говорит, что фару вообще отрубило тогда. Сейчас все работает, но как-то глючно и непонятно. Как вроде питания не хватает, когда габариты не включены.

Может быть предохранитель? Уже поздно и темно, не очень удобно было лазить, решил утром ещё разок затестить разные варианты, заодно и предохранители глянуть. Вроде есть отдельные на стоп сигналы.

Диоды при нормальной работе все светят как надо, сгоревших нет, включая доп. сигнал.
Ещё, крайние пару дней заметил, что пара диодов на подсветке экранов приборки помигивают. Может быть взаимосвязано?

Короче, до утра принимаю советы, куда смотреть.




"Может быть предохранитель?" - насколько я понимаю в электрике, то предохранитель или работает или нет. Т.е. лампы или будут гореть или нет. И никаких там "наполовину" и т.д.


Роздрукувати   Нагадати!   Сповістити модератора   Відправити по E-mail
Достоевский **
43 года (26 лет за рулем), Киев
Сообщения: 7375
С нами с 25.10.2007

Re: Задние стоп-сигналы (трабл) [Re: AlexAudiCoupe]
      21 сентября 2020 в 20:49 Гілками

Я тоже так понимаю. Как и тот факт, что если стопы не работают, то их работа/не работа не зависит от того, включены габариты или нет. Да и вообще и габариты глючить должны. Габарит и стоп - это один и тот же диод.
А тут, как оказалось, есть такой вариант, что при выключенных габаритах глючат, при включенных все ок. На всякий случай не исключаю и предохранители.

Змінено $corpioN (20:50 21/09/2020)


Роздрукувати   Нагадати!   Сповістити модератора   Відправити по E-mail
продавець овочів **
Таращанський р-н
Сообщения: 45470
С нами с 11.04.2006

Re: Задние стоп-сигналы (трабл) [Re: $corpioN]
      21 сентября 2020 в 21:20 Гілками

Мне в таких случаях электрик всегда говорит: будем массу искать

Роздрукувати   Нагадати!   Сповістити модератора   Відправити по E-mail
Достоевский **
43 года (26 лет за рулем), Киев
Сообщения: 7375
С нами с 25.10.2007

Re: Задние стоп-сигналы (трабл) [Re: $corpioN]
      21 сентября 2020 в 21:36 Гілками

У меня нет толкового электрика к сожалению. Варианта три пока видится:
1. Ехать к официалам
2. Искать толкового электрика методом проб и ошибок (не очень горю желанием проводить эксперименты)
3. Попытаться самостоятельно хотя бы понять причину и вывести какой-то логический результат, а потом использовать п.1 и 2 минимизируя риски))

P.S. пока, после предохранителей, пришел на ум только концевик или датчик стоп-сигнал:)) Как причина беспорядочного включения при разном усилии нажатия на педаль тормоза

Змінено $corpioN (22:35 21/09/2020)


Роздрукувати   Нагадати!   Сповістити модератора   Відправити по E-mail
Достоевский **
43 года (26 лет за рулем), Киев
Сообщения: 7375
С нами с 25.10.2007

Re: Задние стоп-сигналы (трабл) [Re: $corpioN]
      21 сентября 2020 в 22:22 Гілками Прикріплені файли (0 завантажити)

Мож у нас есть электрики с бессонницей?

Мож у нас есть электрики с бессонницей.


Роздрукувати   Нагадати!   Сповістити модератора   Відправити по E-mail
Достоевский **
24 года за рулем, Киев
Сообщения: 6587
С нами с 17.12.2007

Re: Задние стоп-сигналы (трабл) [Re: $corpioN]
      21 сентября 2020 в 22:45 Гілками

Контроллер ЛЕД, например "утечка" токового датчика. Попробуй у кого-то отложить на подкинуть.

Роздрукувати   Нагадати!   Сповістити модератора   Відправити по E-mail
опытный писатель **
54 года (35 лет за рулем), Киев
Сообщения: 1275
С нами с 27.07.2005

Re: Задние стоп-сигналы (трабл) [Re: $corpioN]
      22 сентября 2020 в 13:01 Гілками

Те, у кого в свое время Были ВАЗ 2108/09 начали бы с массы на фонарях!

Роздрукувати   Нагадати!   Сповістити модератора   Відправити по E-mail
опытный писатель ***
Киев
Сообщения: 1257
С нами с 24.10.2003

Re: Задние стоп-сигналы (трабл) [Re: $corpioN]
      22 сентября 2020 в 14:04 Гілками Прикріплені файли (0 завантажити)

Не понятно что имеется в виду под
$corpioN 21.09.2020 20:27 пишет:


Первая мысля была - драйвер управления



Возможно это выключатель заднего стоп сигнала на педали тормоза?
$corpioN 21.09.2020 21:36 пишет:

после предохранителей, пришел на ум только концевик или датчик стоп-сигнал:)) Как причина беспорядочного включения при разном усилии нажатия на педаль тормоза



Ага типа такого

В механическом его варианте в нем одна(две если есть круиз-контроль или ЕСП) пары контактов. И тот который включает стоп (Он нормально разомкнут, педаль тормоза через концевик отжимает пружинный контакт. Когда нажимаешь педаль она перестает давить на концевик и контакт замыкается и включает стоп сигнал) может ослабнуть/подгореть(на фото внизу его хорошо видно) и начать "глючить".
- Можно разобрать и почистить(говорят надолго не хватит)
- Можно купить новый механический.
- Хюндай-Киа выпускают на замену электронные версии этого концевика (например 93810-4DR0AQQH)

Да, проверить его можно отключив с него фишку и замкнув контакты включения стопа

Не понятно что имеется в виду под Ага типа такого   В механическом его варианте в нем одна(две если есть круиз-контроль или ЕСП) пары контактов. И тот который включает стоп (Он нормально разомкнут, педаль тормоза через концевик отжимает пружинный контакт

Змінено Vladimir_Y (14:34 22/09/2020)


Роздрукувати   Нагадати!   Сповістити модератора   Відправити по E-mail
опытный писатель ***
Киев
Сообщения: 1257
С нами с 24.10.2003

Re: Задние стоп-сигналы (трабл) [Re: Vladimir_Y]
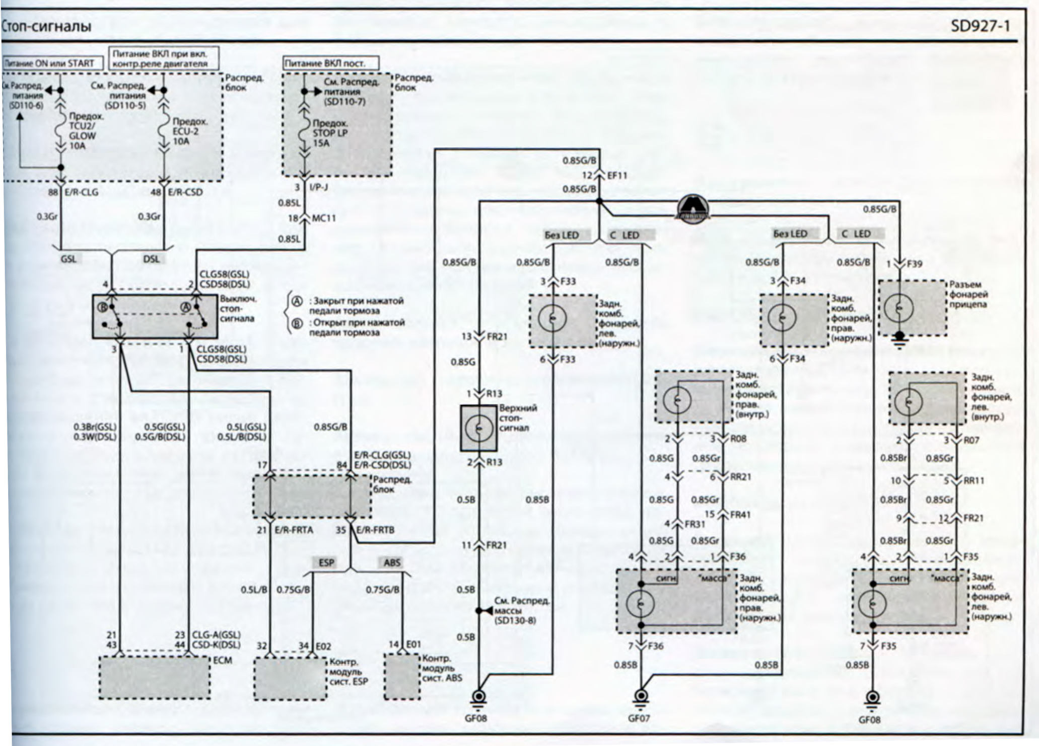
      22 сентября 2020 в 14:15 Гілками Прикріплені файли (0 завантажити)

Вот он на схеме

Вот он на схеме


Роздрукувати   Нагадати!   Сповістити модератора   Відправити по E-mail
Достоевский **
43 года (26 лет за рулем), Киев
Сообщения: 7375
С нами с 25.10.2007

Re: Задние стоп-сигналы (трабл) [Re: Vladimir_Y]
      22 сентября 2020 в 16:33 Гілками Прикріплені файли (0 завантажити)

Спасибо:) Я примерно так и сделал. Утром заказал, правда с номером 938103KQQK, забрал и только что поставил. Осталось, по ходу, отрегулировать нормально, старый вроде раньше чуть-чуть врубал стопы, хотя зазор совпадет:(
Таки оно, в общем Мысли сошлись. Но предохранители я все равно проверил

Спасибо:) Я примерно так и сделал. Утром заказал, правда с номером 938103KQQK, забрал и только что поставил

Змінено $corpioN (16:37 22/09/2020)


Роздрукувати   Нагадати!   Сповістити модератора   Відправити по E-mail
Достоевский **
43 года (26 лет за рулем), Киев
Сообщения: 7375
С нами с 25.10.2007

Re: Задние стоп-сигналы (трабл) [Re: Vladimir_Y]
      22 сентября 2020 в 16:36 Гілками

Vladimir_Y 22.09.2020 14:04 пишет:

Не понятно что имеется в виду



Это ложная инфа:) Нету там вроде никакого блока управления задними фонарями


Роздрукувати   Нагадати!   Сповістити модератора   Відправити по E-mail
опытный писатель ***
Киев
Сообщения: 1257
С нами с 24.10.2003

Re: Задние стоп-сигналы (трабл) [Re: $corpioN]
      22 сентября 2020 в 17:26 Гілками


$corpioN 22.09.2020 16:33 пишет:

с номером 938103KQQK



Похоже это "механический" вариант.
Старый выключатель можно аккуратно вскрыть (он довольно легко разбирается) и если там не совсем "дрова" можно почистить, полирнуть контакты, подогнуть пружинку, смазать - будет запасной.

$corpioN 22.09.2020 16:33 пишет:

Осталось, по ходу, отрегулировать нормально, старый вроде раньше чуть-чуть врубал стопы, хотя зазор совпадет


диапазон регулировки там большой. Главное стопы должны включаться до тормозов.

Роздрукувати   Нагадати!   Сповістити модератора   Відправити по E-mail
Достоевский **
43 года (26 лет за рулем), Киев
Сообщения: 7375
С нами с 25.10.2007

Re: Задние стоп-сигналы (трабл) [Re: Vladimir_Y]
      22 сентября 2020 в 18:52 Гілками Прикріплені файли (0 завантажити)

Да, механика 100%
Вскрыл старый. Выработался пластиковый шток, сами усики. Большой ещё отводит, а мелкий вообще никак не достаёт к контактам уже. Пластик мягкий:(

Да, механика 100%Вскрыл старый. Выработался пластиковый шток, сами усики


Роздрукувати   Нагадати!   Сповістити модератора   Відправити по E-mail
Достоевский **
43 года (26 лет за рулем), Киев
Сообщения: 7375
С нами с 25.10.2007

Re: Задние стоп-сигналы (трабл) [Re: $corpioN]
      22 сентября 2020 в 18:53 Гілками Прикріплені файли (0 завантажити)

Контакты вообще норм, как новые наверное)

Контакты вообще норм, как новые наверное)


Роздрукувати   Нагадати!   Сповістити модератора   Відправити по E-mail
опытный писатель ***
Киев
Сообщения: 1257
С нами с 24.10.2003

Re: Задние стоп-сигналы (трабл) [Re: $corpioN]
      23 сентября 2020 в 10:12 Гілками

$corpioN 22.09.2020 18:53 пишет:

Контакты вообще норм, как новые наверное)



Ага. Логично же, на лампах накаливания подгорает контакт, на диодах - стирается усик штока.
с электронным ?



Роздрукувати   Нагадати!   Сповістити модератора   Відправити по E-mail
Достоевский **
43 года (26 лет за рулем), Киев
Сообщения: 7375
С нами с 25.10.2007

Re: Задние стоп-сигналы (трабл) [Re: Vladimir_Y]
      23 сентября 2020 в 15:04 Гілками

Vladimir_Y 23.09.2020 10:12 пишет:

с электронным?



Не, у меня стоял механический и поставил механический) На моем фото с парт-номером - это уже снятый, старый


Роздрукувати   Нагадати!   Сповістити модератора   Відправити по E-mail
Autoua.netФорумЗапитати Autoua
Додаткова інформація
0 користувачів і 52 що побажали залишитися невідомими читають цей форум.

Модератор:  Yorc, AVB, Hrust, Stor, moderator, BorisB 

Роздрукувати всю тему

Права
      Ви не можете створювати нові теми
      Ви не можете відповідати на повідомлення
      HTML дозволений
      UBBCode дозволений

Рейтинг:
Переглядів теми: 1586

Оціните цю тему

Перейти в

Правила конференції | Календар | FAQ | Карта розділу | Мобільна версія