autoua
×
Autoua.netФорумЗапитати Autoua

Нужен расчет схемы со светодиодами. (2/2)

опытный писатель ***
Киев
Сообщения: 1282
С нами с 24.10.2003

Re: Нужен расчет схемы со светодиодами. [Re: i3387]
      10 марта 2021 в 11:48 Гілками

i3387 09.03.2021 23:08 пишет:

Vladimir_Y 09.03.2021 19:50 пишет:

Светодиоды же током управляються. Нужен "элемент" который будет ограничивать(изменять) ток в цепи.
А для точного управления яркостью нужен ШИМ.



А резистором не?




Если питание будет всегда-вот-прям-точно 12в?

Если хочеться супернадежности - нужно ставить отдельный драйвер на каждый диод.

Есть варианты драйверов которые можно использовать в "однокомпонентном" исполнении. Например

или


Роздрукувати   Нагадати!   Сповістити модератора   Відправити по E-mail
Супер писатель! *
56 лет (33 года за рулем), Киев
Сообщения: 3441
С нами с 17.08.2005

Re: Нужен расчет схемы со светодиодами. [Re: Vladimir_Y]
      10 марта 2021 в 19:23 Гілками

Vladimir_Y 10.03.2021 11:48 пишет:

i3387 09.03.2021 23:08 пишет:

Vladimir_Y 09.03.2021 19:50 пишет:

Светодиоды же током управляються. Нужен "элемент" который будет ограничивать(изменять) ток в цепи.
А для точного управления яркостью нужен ШИМ.



А резистором не?




Если питание будет всегда-вот-прям-точно 12в?

Если хочеться супернадежности - нужно ставить отдельный драйвер на каждый диод.

Есть варианты драйверов которые можно использовать в "однокомпонентном" исполнении. Например

или




Такие стабилизаторы тока нежелательно использовать с 1 СД при напряжении 12В. Иначе надо будет на них ставить отдельное активное охлаждение, или жарить яичницу.
Перевожу на язык цифр:
Берём "1Вт" СД белый с кристаллом 45mil. Ток 350мА, падение напряжения 3,2В. Рассеиваемая мощность - 1,12Вт. При этом стабилизатор - ток 350мА, падение напряжения 12-3,2=8,8В. Рассеиваемая (абсолютно бессмысленно рассеиваемая) мощность - 3,08Вт. Греется в три раза сильнее светодиода.
А если поставить три светодиода последовательно - получаем 3,36Вт на светодиода и "всего" 0,84Вт на драйвере. Охлаждение тоже нужно, но хоть без сковородки можно обойтись. При этом общая потребляемая мощность от бортовой сети не изменяется. Что с одним светодиодном, что.с тремя - 4,2Вт при 12В.


Роздрукувати   Нагадати!   Сповістити модератора   Відправити по E-mail
V.I.P **
45 лет,
Сообщения: 12338
С нами с 08.06.2015

Re: Нужен расчет схемы со светодиодами. [Re: i3387]
      10 марта 2021 в 19:38 Гілками

i3387 10.03.2021 07:04 пишет:

VovkZ 10.03.2021 01:19 пишет:

Hemicuda 09.03.2021 21:53 пишет:

Проще будет купить такого плана драйвер.
Если хочется запаса по надежности, то поставить вместо 1Вт светодиода 3Вт. Работать будет на уровне 1Вт, но в треть своих возможностей.



А цей конкретний драйвер - це boost чи SEPIC якийсь, чи що?
(Бо 8х3V = 24V - вище за вказаний діапазон напруги живлення).



Входное напряжение: 12-24 В
Выходное напряжение: 25-42 В

вот это не понятно,почему на выходе 25-42В?
может лучше такой и такие светодиоды по 1 Вт?




- я провтикав, що там явно вказана вихідна напруга. Вона вища за вхідну, тобто, це підвищуючий перетворювач. Все сходиться.
Що до вашого питання: обидва варіанти мають право на життя. Але зверніть увагу, що вам потрібно не такий драйвер (цей надто потужний, 1000 мА), а на 1-ватні світлодіоди, як у вас, під номінальний струм 300 (360) мА. Або світлодіоди відповідної потужності.
У першому (попередньому) варіанті буде один драйвер на усі світлодіоди, і при його несправності - нічого не світитиме. Зато максимально компактно і дешево.
У другому варіанті - потрібно буде три драйвери (три одноватних, кожен на 3 світлодіоди), по три світлодіоди на кожен. Це, ніби, як надійніший варіант - мінімум одна-дві гілки (по три шт) - світитимуть. Але три драйвери замість одного.

Змінено VovkZ (20:37 10/03/2021)


Роздрукувати   Нагадати!   Сповістити модератора   Відправити по E-mail
опытный писатель ***
Киев
Сообщения: 1282
С нами с 24.10.2003

Re: Нужен расчет схемы со светодиодами. [Re: Palex]
      11 марта 2021 в 11:12 Гілками

Palex 10.03.2021 19:23 пишет:

Vladimir_Y 10.03.2021 11:48 пишет:

i3387 09.03.2021 23:08 пишет:


В ответ на:

...



А резистором не?



Если питание будет всегда-вот-прям-точно 12в?
Если хочеться супернадежности - нужно ставить отдельный драйвер на каждый диод.
Есть варианты драйверов которые можно использовать в "однокомпонентном" исполнении. Например

или




Такие стабилизаторы тока нежелательно использовать с 1 СД при напряжении 12В. Иначе надо будет на них ставить отдельное активное охлаждение, или жарить яичницу.
Перевожу на язык цифр:
Берём "1Вт" СД белый с кристаллом 45mil. Ток 350мА, падение напряжения 3,2В. Рассеиваемая мощность - 1,12Вт. При этом стабилизатор - ток 350мА, падение напряжения 12-3,2=8,8В. Рассеиваемая (абсолютно бессмысленно рассеиваемая) мощность - 3,08Вт. Греется в три раза сильнее светодиода.
А если поставить три светодиода последовательно - получаем 3,36Вт на светодиода и "всего" 0,84Вт на драйвере. Охлаждение тоже нужно, но хоть без сковородки можно обойтись. При этом общая потребляемая мощность от бортовой сети не изменяется. Что с одним светодиодном, что.с тремя - 4,2Вт при 12В.




Так супернадежность она такая , требует жертв(рассеивание лишнего тепла). В расчетах конечно нужно учитывать не только "номинал резистора", но и его мощность.
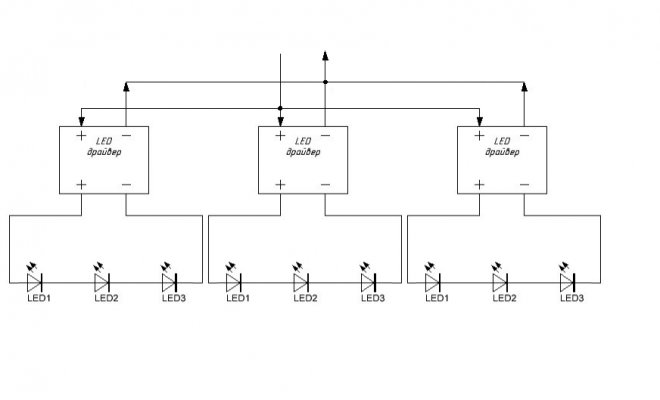
Полностью согласен, в этом случае(9*1w диодов, питание ~12в) наиболее оптимальным вариантом будет подключение 3-мя группами ("драйвер" (350мА) + 3-и(3,2х3=9.6в) диода последовательно .


Роздрукувати   Нагадати!   Сповістити модератора   Відправити по E-mail
старый писатель *
104 года за рулем, zp.ua
Сообщения: 709
С нами с 11.04.2015

Re: Нужен расчет схемы со светодиодами. [Re: Vladimir_Y]
      11 марта 2021 в 15:39 Гілками Прикріплені файли (0 завантажити)

Vladimir_Y 11.03.2021 11:12 пишет:


Так супернадежность она такая , требует жертв(рассеивание лишнего тепла). В расчетах конечно нужно учитывать не только "номинал резистора", но и его мощность.
Полностью согласен, в этом случае(9*1w диодов, питание ~12в) наиболее оптимальным вариантом будет подключение 3-мя группами ("драйвер" (350мА) + 3-и(3,2х3=9.6в) диода последовательно .



то есть так? а резисторы на каждую цепь надо ставить?
Вы имеете ввиду 3-и цепи по 3х1Вт напряжением 3,2в?

то есть так. а резисторы на каждую цепь надо ставить


Роздрукувати   Нагадати!   Сповістити модератора   Відправити по E-mail
старый писатель *
104 года за рулем, zp.ua
Сообщения: 709
С нами с 11.04.2015

Re: Нужен расчет схемы со светодиодами. [Re: Palex]
      11 марта 2021 в 15:41 Гілками

Palex 10.03.2021 19:23 пишет:


Берём "1Вт" СД белый с кристаллом 45mil. Ток 350мА, падение напряжения 3,2В. Рассеиваемая мощность - 1,12Вт. При этом стабилизатор - ток 350мА, падение напряжения 12-3,2=8,8В. Рассеиваемая (абсолютно бессмысленно рассеиваемая) мощность - 3,08Вт. Греется в три раза сильнее светодиода.
А если поставить три светодиода последовательно - получаем 3,36Вт на светодиода и "всего" 0,84Вт на драйвере. Охлаждение тоже нужно, но хоть без сковородки можно обойтись. При этом общая потребляемая мощность от бортовой сети не изменяется. Что с одним светодиодном, что.с тремя - 4,2Вт при 12В.



Спасибо


Роздрукувати   Нагадати!   Сповістити модератора   Відправити по E-mail
опытный писатель ***
Киев
Сообщения: 1282
С нами с 24.10.2003

Re: Нужен расчет схемы со светодиодами. [Re: i3387]
      11 марта 2021 в 16:33 Гілками Прикріплені файли (0 завантажити)

i3387 11.03.2021 15:39 пишет:

Vladimir_Y 11.03.2021 11:12 пишет:


Так супернадежность она такая , требует жертв(рассеивание лишнего тепла). В расчетах конечно нужно учитывать не только "номинал резистора", но и его мощность.
Полностью согласен, в этом случае(9*1w диодов, питание ~12в) наиболее оптимальным вариантом будет подключение 3-мя группами ("драйвер" (350мА) + 3-и(3,2х3=9.6в) диода последовательно .



то есть так? а резисторы на каждую цепь надо ставить?
Вы имеете ввиду 3-и цепи по 3х1Вт напряжением 3,2в?




3-и драйвера , по 3 диода на каждом

3-и  драйвера , по 3 диода на каждом


Роздрукувати   Нагадати!   Сповістити модератора   Відправити по E-mail
старожил ***
Киев
Сообщения: 523
С нами с 01.12.2011

Re: Нужен расчет схемы со светодиодами. [Re: i3387]
      11 марта 2021 в 19:54 Гілками

Я себе собирал фонари по схеме 1 драйвер на 3-и одноватных светодиода. И таких цепочек было 4шт на один задний фонарь (из двух половинок). Но то давно было и такого разнообразия еще не было.
Вот работает ли сейчас - не знаю ибо продал машину.


Роздрукувати   Нагадати!   Сповістити модератора   Відправити по E-mail
старый писатель *
104 года за рулем, zp.ua
Сообщения: 709
С нами с 11.04.2015

Re: Нужен расчет схемы со светодиодами. [Re: Vladimir_Y]
      13 марта 2021 в 12:07 Гілками

Vladimir_Y 11.03.2021 16:33 пишет:

i3387 11.03.2021 15:39 пишет:

Vladimir_Y 11.03.2021 11:12 пишет:


Так супернадежность она такая , требует жертв(рассеивание лишнего тепла). В расчетах конечно нужно учитывать не только "номинал резистора", но и его мощность.
Полностью согласен, в этом случае(9*1w диодов, питание ~12в) наиболее оптимальным вариантом будет подключение 3-мя группами ("драйвер" (350мА) + 3-и(3,2х3=9.6в) диода последовательно .



то есть так? а резисторы на каждую цепь надо ставить?
Вы имеете ввиду 3-и цепи по 3х1Вт напряжением 3,2в?




3-и драйвера , по 3 диода на каждом



Спасибо


Роздрукувати   Нагадати!   Сповістити модератора   Відправити по E-mail
IesuiT ***
60 лет (31 год за рулем), Кременчуг
Сообщения: 38407
С нами с 26.10.2001

Re: Нужен расчет схемы со светодиодами. [Re: i3387]
      14 марта 2021 в 09:20 Гілками

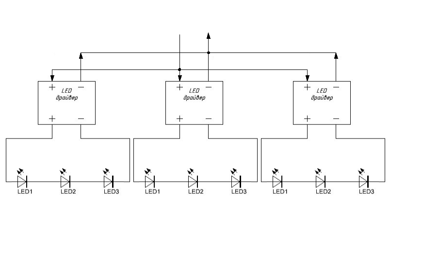
т.к. это свеетодиодный поворот , то никаких последовательных соединений диодов , посему драйвер на каждый диод или хотя бы по драйверу на группу из - 2х 3х .

но тогда реально проще один драйвер и резисторы .


Роздрукувати   Нагадати!   Сповістити модератора   Відправити по E-mail
Супер писатель! *
56 лет (33 года за рулем), Киев
Сообщения: 3441
С нами с 17.08.2005

Re: Нужен расчет схемы со светодиодами. [Re: MadMax]
      14 марта 2021 в 10:57 Гілками

MadMax 14.03.2021 09:20 пишет:

т.к. это свеетодиодный поворот , то никаких последовательных соединений диодов , посему драйвер на каждый диод или хотя бы по драйверу на группу из - 2х 3х .

но тогда реально проще один драйвер и резисторы .



Во-первых, драйвер и резисторы это масло масляное: резисторы несут ту же функцию, что и драйверы - ограничивают ток. Поэтому либо токоограничительный резистор (дёшево но не точно), либо драйвер (точно, но дорого).
Во-вторых, один драйвер на несколько параллельных цепочек крайне нежелательно - при выходе из строя одной ток на остальных увеличивается.
А в данном случае мне кажется, что одноваттные светодиоды избыточны, вполне достаточно полуваттных в том же корпусе.Три цепочки по 3 оранжевых диода 150мА должно хватить с головой.


Роздрукувати   Нагадати!   Сповістити модератора   Відправити по E-mail
Autoua.netФорумЗапитати Autoua
Додаткова інформація
0 користувачів і 21 що побажали залишитися невідомими читають цей форум.

Модератор:  Yorc, AVB, Hrust, Stor, moderator, BorisB 

Роздрукувати всю тему

Права
      Ви не можете створювати нові теми
      Ви не можете відповідати на повідомлення
      HTML дозволений
      UBBCode дозволений

Рейтинг:
Переглядів теми: 2838

Оціните цю тему

Перейти в

Правила конференції | Календар | FAQ | Карта розділу | Мобільна версія