autoua
×
Autoua.netФорумІнформатика та побутова електроніка

Подскажите по перем резистору для 6В прибора в 12В цепи

опытный писатель **
29 лет за рулем, Киев
Сообщения: 1410
С нами с 04.11.2005

Подскажите по перем резистору для 6В прибора в 12В цепи
      29 августа 2025 в 07:18 Гілками

Подскажите какой по номиналу переменный резистор нужен для 6В укзателя топлива в 12В системе авто?
Я так понимаю что при полном баке на прибор с датчика идет максимальные 12В.
Нужен резистор с запасом чтобы была возможность подрегулировать показания при полном баке.


Роздрукувати   Нагадати!   Сповістити модератора   Відправити по E-mail
Супер писатель! ***
48 лет (30 лет за рулем), Киев
Сообщения: 3290
С нами с 16.08.2005

Re: Подскажите по перем резистору для 6В прибора в 12В цепи [Re: Schneider]
      29 августа 2025 в 08:15 Гілками

Schneider 29.08.2025 07:18 пишет:

Подскажите какой по номиналу переменный резистор нужен для 6В укзателя топлива в 12В системе авто?
Я так понимаю что при полном баке на прибор с датчика идет максимальные 12В.
Нужен резистор с запасом чтобы была возможность подрегулировать показания при полном баке.



Якщо стоїть мета бачити тільки максимум, то послідовно з датчиком ставиться резистор точно такого номіналу, як й датчик.
Якщо мета повністю відповідність, то мені здається, на додаткових резисторах таке не зробиш. Треба вскривати приборку вишукати, чи є там "резистор на плюс" в цій ланці і його змінювати

З датчика не йде напруга - датчик є елементом поділювача.


Роздрукувати   Нагадати!   Сповістити модератора   Відправити по E-mail
опытный писатель **
29 лет за рулем, Киев
Сообщения: 1410
С нами с 04.11.2005

Re: Подскажите по перем резистору для 6В прибора в 12В цепи [Re: Schneider]
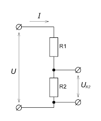
      29 августа 2025 в 09:59 Гілками Прикріплені файли (0 завантажити)

Вот такая простая схема подключения.
Если между поплавком в баке и прибором поставить сопротивление не будет отображать реальный уровень топлива?

Вот такая простая схема подключения.Если между поплавком в баке и прибором поставить сопротивление не будет отображать реальный уровень топлива


Роздрукувати   Нагадати!   Сповістити модератора   Відправити по E-mail
Шкодоволгный Вазотавр *
54 года (33 года за рулем), Киев
Сообщения: 21858
С нами с 06.07.2001

Re: Подскажите по перем резистору для 6В прибора в 12В цепи [Re: Schneider]
      29 августа 2025 в 11:03 Гілками

Schneider 29.08.2025 07:18 пишет:

Подскажите какой по номиналу переменный резистор нужен для 6В укзателя топлива в 12В системе авто?
Я так понимаю что при полном баке на прибор с датчика идет максимальные 12В.
Нужен резистор с запасом чтобы была возможность подрегулировать показания при полном баке.




Не вийде. Тому що там іде вимірювання 0-макс. З додатковим резистором 0 ніколи не буде.
Хіба шо шукати якийсь датчик на 6в і використати його як донора


Роздрукувати   Нагадати!   Сповістити модератора   Відправити по E-mail
V.I.P **
51 год (23 года за рулем), Київ
Сообщения: 16784
С нами с 22.05.2007

Re: Подскажите по перем резистору для 6В прибора в 12В цепи [Re: kkk_GAZ240]
      30 августа 2025 в 19:24 Гілками Прикріплені файли (0 завантажити)

kkk_GAZ240 29.08.2025 11:03 пишет:

Schneider 29.08.2025 07:18 пишет:

Подскажите какой по номиналу переменный резистор нужен для 6В укзателя топлива в 12В системе авто?
Я так понимаю что при полном баке на прибор с датчика идет максимальные 12В.
Нужен резистор с запасом чтобы была возможность подрегулировать показания при полном баке.




Не вийде. Тому що там іде вимірювання 0-макс. З додатковим резистором 0 ніколи не буде.
Хіба шо шукати якийсь датчик на 6в і використати його як донора



А в таком варианте?

А в таком варианте.


Роздрукувати   Нагадати!   Сповістити модератора   Відправити по E-mail
опытный писатель **
29 лет за рулем, Киев
Сообщения: 1410
С нами с 04.11.2005

Re: Подскажите по перем резистору для 6В прибора в 12В цепи [Re: Schneider]
      31 августа 2025 в 08:39 Гілками

Надеюсь на днях попаду в гараж померяю сопротивление обоих катушек прибора.
Должно быть решение..


Роздрукувати   Нагадати!   Сповістити модератора   Відправити по E-mail
Шкодоволгный Вазотавр *
54 года (33 года за рулем), Киев
Сообщения: 21858
С нами с 06.07.2001

Re: Подскажите по перем резистору для 6В прибора в 12В цепи [Re: Djohny]
      31 августа 2025 в 09:42 Гілками

Djohny 30.08.2025 19:24 пишет:

kkk_GAZ240 29.08.2025 11:03 пишет:

Schneider 29.08.2025 07:18 пишет:

Подскажите какой по номиналу переменный резистор нужен для 6В укзателя топлива в 12В системе авто?
Я так понимаю что при полном баке на прибор с датчика идет максимальные 12В.
Нужен резистор с запасом чтобы была возможность подрегулировать показания при полном баке.




Не вийде. Тому що там іде вимірювання 0-макс. З додатковим резистором 0 ніколи не буде.
Хіба шо шукати якийсь датчик на 6в і використати його як донора



А в таком варианте?



Можливо. Але треба макет робити спочатку на столі


Роздрукувати   Нагадати!   Сповістити модератора   Відправити по E-mail
опытный писатель **
29 лет за рулем, Киев
Сообщения: 1410
С нами с 04.11.2005

Re: Подскажите по перем резистору для 6В прибора в 12В цепи [Re: Schneider]
      31 августа 2025 в 10:13 Гілками Прикріплені файли (0 завантажити)

ИИ знает

ИИ знает


Роздрукувати   Нагадати!   Сповістити модератора   Відправити по E-mail
V.I.P **
45 лет,
Сообщения: 12210
С нами с 08.06.2015

Re: Подскажите по перем резистору для 6В прибора в 12В цепи [Re: Schneider]
      31 августа 2025 в 11:09 Гілками

Можливо, потрібно поставити два (однакові) резистори - по одному послідовно з кожною котушкою індикатора, у т.ч. на землю, якщо є така можливість.

Якщо планується модифікація - то прилад вже на руках, і опір обмоток вже виміряний?

Змінено VovkZ (11:11 31/08/2025)


Роздрукувати   Нагадати!   Сповістити модератора   Відправити по E-mail
опытный писатель **
29 лет за рулем, Киев
Сообщения: 1410
С нами с 04.11.2005

Re: Подскажите по перем резистору для 6В прибора в 12В цепи [Re: Schneider]
      1 сентября 2025 в 07:14 Гілками

Купил такое

12в -> 6В


Роздрукувати   Нагадати!   Сповістити модератора   Відправити по E-mail
Autoua.netФорумІнформатика та побутова електроніка
Додаткова інформація
1 користувачів і 23 що побажали залишитися невідомими читають цей форум.

Модератор:  AlMat, Yorc, moderator 

Роздрукувати всю тему

Права
      Ви не можете створювати нові теми
      Ви не можете відповідати на повідомлення
      HTML дозволений
      UBBCode дозволений

Рейтинг:
Переглядів теми: 534

Оціните цю тему

Перейти в

Правила конференції | Календар | FAQ | Карта розділу | Мобільна версія