autoua
×
Autoua.netФорумРадіо

перепайка тангенты 450s -> vx7r

важничающий писатель **
Киев
Сообщения: 1735
С нами с 01.07.2005

перепайка тангенты 450s -> vx7r
      22 мая 2008 в 11:21 Гілками

пробовал вчера вечером, вроде как получилось, но както не так... на передачу открывается, на прием в динамике тангенты ничего не слышно, тоесть слышно но както волнами.

может подскажет кто, как это сделать правильно?


Роздрукувати   Нагадати!   Сповістити модератора   Відправити по E-mail
Hombre Rayo **
Киев
Сообщения: 25170
С нами с 08.05.2005

Re: перепайка тангенты 450s -> vx7r [Re: maia]
      22 мая 2008 в 12:52 Гілками Прикріплені файли (0 завантажити)

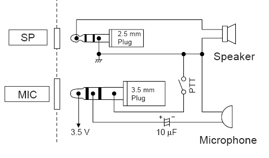
По идее, правильно так:

По идее, правильно так:


Роздрукувати   Нагадати!   Сповістити модератора   Відправити по E-mail
Hombre Rayo **
Киев
Сообщения: 25170
С нами с 08.05.2005

Re: перепайка тангенты 450s -> vx7r [Re: maia]
      22 мая 2008 в 13:02 Гілками Прикріплені файли (0 завантажити)

А вот как было для Kenwood:

А вот как было для Kenwood:


Роздрукувати   Нагадати!   Сповістити модератора   Відправити по E-mail
важничающий писатель **
Киев
Сообщения: 1735
С нами с 01.07.2005

Re: перепайка тангенты 450s -> vx7r [Re: El Erizo]
      22 мая 2008 в 13:24 Гілками

именно по этим картинкам и ориентировался в процессе, однако не заработало. т.е. заработало, но подозреваю какая-то лажа с кондерами\резисторами, т.к. в тангенте они есть на плате... а разводка платы в общемто не ясна что и куда.. поэтому и не работает как надо

Роздрукувати   Нагадати!   Сповістити модератора   Відправити по E-mail
Hombre Rayo **
Киев
Сообщения: 25170
С нами с 08.05.2005

Re: перепайка тангенты 450s -> vx7r [Re: maia]
      22 мая 2008 в 14:32 Гілками

Хм... Более чем странно, что проблема с динамиком, т.к. различия имеются только в цепи майка, тогда как динамик в обоих случаях висит напрямую между выходом и землей без чего либо еще...

Роздрукувати   Нагадати!   Сповістити модератора   Відправити по E-mail
Autoua.netФорумРадіо
Додаткова інформація
0 користувачів і 24 що побажали залишитися невідомими читають цей форум.

Модератор:  plexmen, moderator 

Роздрукувати всю тему

Права
      Ви не можете створювати нові теми
      Ви не можете відповідати на повідомлення
      HTML дозволений
      UBBCode дозволений

Рейтинг:
Переглядів теми: 2568

Оціните цю тему

Перейти в

Правила конференції | Календар | FAQ | Карта розділу | Мобільна версія