autoua
×
Autoua.netФорумRenault, Dacia форум

датчик ВМТ на Символе где?

энтузиаст ****
Киев
Сообщения: 251
С нами с 10.10.2003

датчик ВМТ на Символе где?
      7 июня 2008 в 17:47 Гілками

Всем привет!
Имею проблемы с запуском двигателя по горячему (время от времени) - авто Символ 16 кл, 2003 года.
По холодному все ок. В движении тоже все ок.
Полазил по инету, в похожей ситуации люди ссылаются на датчик ВМТ - либо сдох, либо контакты не контачат.
Подскажите, где в символе расположен этот датчик? Может у кого картинки какие-то есть ?
Хочется посмотреть ему в "глаза", т.е на его контакты, прежде чем ехать на СТО.


Роздрукувати   Нагадати!   Сповістити модератора   Відправити по E-mail
Достоевский **
55 лет, Киев
Сообщения: 9418
С нами с 13.10.2005

Re: датчик ВМТ на Символе где? [Re: balex]
      7 июня 2008 в 17:56 Гілками

Датчик ВМТ!

Роздрукувати   Нагадати!   Сповістити модератора   Відправити по E-mail
энтузиаст ****
Киев
Сообщения: 251
С нами с 10.10.2003

Re: датчик ВМТ на Символе где? [Re: Apec]
      7 июня 2008 в 18:24 Гілками

вот, уже не зря свой вопрос запостил - одному челу настроение поднял,
теперь бы еще по существу чего-то узнать...


Роздрукувати   Нагадати!   Сповістити модератора   Відправити по E-mail
EliМодератор
Достоевский ***
50 лет (31 год за рулем), Киев
Сообщения: 7498
С нами с 09.07.2001

Re: датчик ВМТ на Символе где? [Re: balex]
      7 июня 2008 в 20:30 Гілками Прикріплені файли (0 завантажити)

В ответ на:

Всем привет!
Имею проблемы с запуском двигателя по горячему (время от времени) - авто Символ 16 кл, 2003 года.
По холодному все ок. В движении тоже все ок.
Полазил по инету, в похожей ситуации люди ссылаются на датчик ВМТ - либо сдох, либо контакты не контачат.
Подскажите, где в символе расположен этот датчик? Может у кого картинки какие-то есть ?
Хочется посмотреть ему в "глаза", т.е на его контакты, прежде чем ехать на СТО.



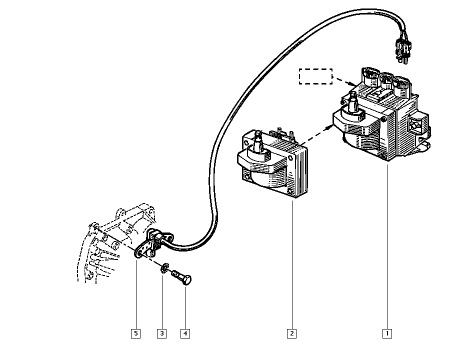
Датчик верхней мертвой точки (ВМТ) коленчатого вала находится в верхней части торца КПП, в том месте где она крепится к блоку двигателя. Выглядит оно примерно так:

Датчик верхней мертвой точки (ВМТ) коленчатого вала находится в верхней части торца КПП, в том месте где она крепится к блоку двигателя. Выглядит оно примерно так:


Роздрукувати   Нагадати!   Сповістити модератора   Відправити по E-mail
Достоевский **
55 лет, Киев
Сообщения: 9418
С нами с 13.10.2005

Re: датчик ВМТ на Символе где? [Re: balex]
      7 июня 2008 в 20:59 Гілками

Датчик положения коленвала, ИМХО! Сними, открутив 2 звездочки, очисти от опилок,стружек, глянь контакты. Мне на Дачии помогла очистка от железных опилок.

Роздрукувати   Нагадати!   Сповістити модератора   Відправити по E-mail
энтузиаст ****
Киев
Сообщения: 251
С нами с 10.10.2003

Re: датчик ВМТ на Символе где? [Re: Eli]
      7 июня 2008 в 21:24 Гілками

Eli, спасибо за картинку!
Кто-то знает, к нему можно доступиться или надо что-то снимать еще?
По любому попробую завтра его найти

ЗЫ
Нашел описание его расположения на буржуйском сайте
http://www.theanswerbank.co.uk/Motoring/Question157630.html

"this can be found ontop of the gearbox very close to the engine. it has a metal bar running accross with a bolt at each end.the sensor is the black part in the middle with a plug attached to it. wiggle the plug to start with it should then start. if it does ideally the plug needs to be disconnected & sprayed with switch cleaner..."


Роздрукувати   Нагадати!   Сповістити модератора   Відправити по E-mail
ed_
V.I.P **
Одесса-Киев-Транзит
Сообщения: 11613
С нами с 17.01.2002

Re: датчик ВМТ на Символе где? [Re: balex]
      8 июня 2008 в 13:21 Гілками

сопротивление его не забудь проверить, целостность оболочки

з.ы.
у рыно на моторах 1,2-1,6 Датчик положения коленвала=датчик ВМТ


Роздрукувати   Нагадати!   Сповістити модератора   Відправити по E-mail
энтузиаст ****
Киев
Сообщения: 251
С нами с 10.10.2003

Re: датчик ВМТ на Символе где? [Re: balex]
      8 июня 2008 в 22:04 Гілками

Всем спасибо за помощь!
Я это сделал!!!
Снял датчик, почистил сердечник (не могу сказать, что он был очень грязный), зачистил контакты, померил сопротивление - 250 Ом, поставил все обратно. Субъективно двиг стал заводиться более резко что-ли. Статистика ближайших дней покажет реальный результат.

Сделал по ходу несколько фоток мобилкой, качество плохое, но может кому-то поможет.



Змінено balex (22:06 08/06/2008)


Роздрукувати   Нагадати!   Сповістити модератора   Відправити по E-mail
энтузиаст ****
Киев
Сообщения: 251
С нами с 10.10.2003

Re: датчик ВМТ на Символе где? [Re: balex]
      8 июня 2008 в 22:06 Гілками Прикріплені файли (0 завантажити)

фото1

фото1


Роздрукувати   Нагадати!   Сповістити модератора   Відправити по E-mail
энтузиаст ****
Киев
Сообщения: 251
С нами с 10.10.2003

Re: датчик ВМТ на Символе где? [Re: balex]
      8 июня 2008 в 22:07 Гілками Прикріплені файли (0 завантажити)

фото2

фото2


Роздрукувати   Нагадати!   Сповістити модератора   Відправити по E-mail
энтузиаст ****
Киев
Сообщения: 251
С нами с 10.10.2003

Re: датчик ВМТ на Символе где? [Re: balex]
      8 июня 2008 в 22:07 Гілками Прикріплені файли (0 завантажити)

фото3

фото3


Роздрукувати   Нагадати!   Сповістити модератора   Відправити по E-mail
энтузиаст ****
Киев
Сообщения: 251
С нами с 10.10.2003

Re: датчик ВМТ на Символе где? [Re: balex]
      8 июня 2008 в 22:08 Гілками Прикріплені файли (0 завантажити)

фото4

фото4


Роздрукувати   Нагадати!   Сповістити модератора   Відправити по E-mail
энтузиаст ****
Киев
Сообщения: 251
С нами с 10.10.2003

Re: датчик ВМТ на Символе где? [Re: balex]
      8 июня 2008 в 22:09 Гілками Прикріплені файли (0 завантажити)

фото5

фото5


Роздрукувати   Нагадати!   Сповістити модератора   Відправити по E-mail
Autoua.netФорумRenault, Dacia форум
Додаткова інформація
0 користувачів і 12 що побажали залишитися невідомими читають цей форум.

Модератор:  Eli, moderator 

Роздрукувати всю тему

Права
      Ви не можете створювати нові теми
      Ви не можете відповідати на повідомлення
      HTML дозволений
      UBBCode дозволений

Рейтинг:
Переглядів теми: 11752

Оціните цю тему

Перейти в

Правила конференції | Календар | FAQ | Карта розділу | Мобільна версія