autoua
×
Autoua.netФорумБудівництво та ремонт нерухомості

Подключение терморегулятора DEVI

member ***
46 лет, Киев
Сообщения: 158
С нами с 01.04.2004

Подключение терморегулятора DEVI
      12 августа 2009 в 10:06 Гілками

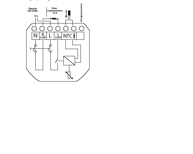
Вопрос к тем кто сам подключал 535 или похожий регулятор

заземление кабеля комутируется напрямую(не через регулятор)?
потому как на на регуляторе есть одна свободная клема с надписью no conect, а инструкция ответов не содержит.


Роздрукувати   Нагадати!   Сповістити модератора   Відправити по E-mail
СуперСтар ***
Київіздекепіталофюкрейн
Сообщения: 5948
С нами с 06.04.2009

Re: Подключение терморегулятора DEVI [Re: Slim]
      12 августа 2009 в 10:48 Гілками

Напрямую.

Роздрукувати   Нагадати!   Сповістити модератора   Відправити по E-mail
старожил ***
43 года (19 лет за рулем), Киев
Сообщения: 524
С нами с 26.03.2008

Re: Подключение терморегулятора DEVI [Re: Михаил_N]
      12 августа 2009 в 10:56 Гілками Прикріплені файли (0 завантажити)

в инструкции же есть подробная схема подключения,
земля через регулятор не проходит.

в инструкции же есть подробная схема подключения, земля через регулятор не проходит.


Роздрукувати   Нагадати!   Сповістити модератора   Відправити по E-mail
member ***
46 лет, Киев
Сообщения: 158
С нами с 01.04.2004

Re: Подключение терморегулятора DEVI [Re: Slim]
      12 августа 2009 в 14:22 Гілками

не ну я так и думал просто свободная клема вызывала сомнения

Роздрукувати   Нагадати!   Сповістити модератора   Відправити по E-mail
Autoua.netФорумБудівництво та ремонт нерухомості
Додаткова інформація
0 користувачів і 24 що побажали залишитися невідомими читають цей форум.

Модератор:  moderator, Outdriver 

Роздрукувати всю тему

Права
      Ви не можете створювати нові теми
      Ви не можете відповідати на повідомлення
      HTML дозволений
      UBBCode дозволений

Рейтинг:
Переглядів теми: 2284

Оціните цю тему

Перейти в

Правила конференції | Календар | FAQ | Карта розділу | Мобільна версія