autoua
×
Autoua.netФорумFord форум

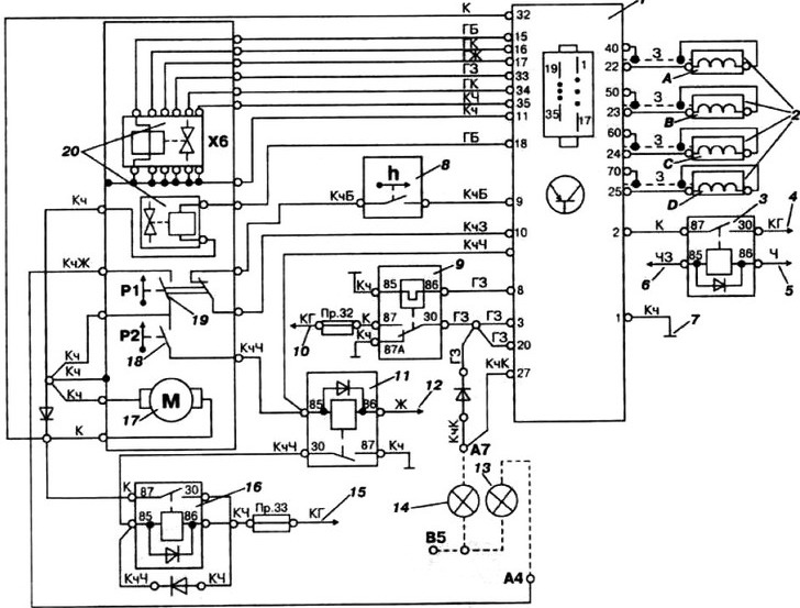
2 ищущие схема ABS Ford Scorpio 89-91(+)

IesuiT ***
59 лет (30 лет за рулем), Кременчуг
Сообщения: 38407
С нами с 26.10.2001

2 ищущие схема ABS Ford Scorpio 89-91(+)
      5 ноября 2009 в 18:36 Гілками Прикріплені файли (0 завантажити)

1-

1-

Змінено FORDMAX (21:35 05/11/2009)


Роздрукувати   Нагадати!   Сповістити модератора   Відправити по E-mail
спутница гения ***
45 лет (21 год за рулем), Киев
Сообщения: 12314
С нами с 03.09.2006

Спасибо МаксИоанныч (+) [Re: MadMax]
      5 ноября 2009 в 19:45 Гілками


В ответ на:

4.2. Запрещается создание новых тем:
...
е) Обращенных к конкретным участникам конференции. Для личного общения используйте e-mail или приватные сообщения на форуме




Хотя, думаю, эта схемка не только мне может полезной оказаться.
Спасибо


Роздрукувати   Нагадати!   Сповістити модератора   Відправити по E-mail
IesuiT ***
59 лет (30 лет за рулем), Кременчуг
Сообщения: 38407
С нами с 26.10.2001

Re: Спасибо МаксИоанныч (+) [Re: Evа]
      5 ноября 2009 в 21:36 Гілками

исправился ...

Роздрукувати   Нагадати!   Сповістити модератора   Відправити по E-mail
ПАПАрация ***
50 лет (26 лет за рулем), Киев
Сообщения: 13706
С нами с 09.02.2004

Кстати, а ты навскидку не помнишь (+) [Re: MadMax]
      6 ноября 2009 в 16:09 Гілками

где диагностический разъем АБС-а живёт и чем коды ошибок почитать можно?

P.S. Уже и сам нашел тут

Змінено B.O.S. (17:05 06/11/2009)


Роздрукувати   Нагадати!   Сповістити модератора   Відправити по E-mail
IesuiT ***
59 лет (30 лет за рулем), Кременчуг
Сообщения: 38407
С нами с 26.10.2001

Re: Кстати, а ты навскидку не помнишь (+) [Re: B.O.S.]
      8 ноября 2009 в 10:57 Гілками

живет возле мозгов в жгуте чем чиать не знаю

Роздрукувати   Нагадати!   Сповістити модератора   Відправити по E-mail
Autoua.netФорумFord форум
Додаткова інформація
0 користувачів і 10 що побажали залишитися невідомими читають цей форум.

Модератор:  LOMOND, moderator 

Роздрукувати всю тему

Права
      Ви не можете створювати нові теми
      Ви не можете відповідати на повідомлення
      HTML дозволений
      UBBCode дозволений

Рейтинг:
Переглядів теми: 10984

Оціните цю тему

Перейти в

Правила конференції | Календар | FAQ | Карта розділу | Мобільна версія