autoua
×
Autoua.netФорумВирішення побутових проблем

Вопрос к электрикам

иной **
25 лет за рулем,
Сообщения: 25057
С нами с 26.12.2001

Вопрос к электрикам
      15 марта 2010 в 11:27 Гілками

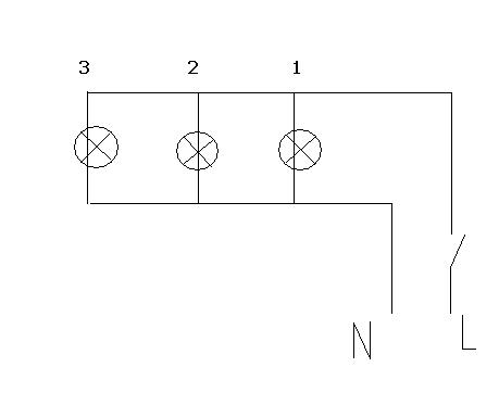
Коллеги,прошу помощи,а то что-то мозг отказывается сообразить.Итак,есть настенный выключатель,на котором висят три последовательно подключенных лампочки.
Задача - сделать так,чтобы одна из ламп могла включаться независимо от двух других своим выключателем,без необходимости щелкать настенным.
Это типа "проходной" должен быть? Где?


Роздрукувати   Нагадати!   Сповістити модератора   Відправити по E-mail
BS.
опытный писатель ***
48 лет (30 лет за рулем), Киев – Белая Церковь
Сообщения: 1549
С нами с 03.09.2006

Re: Вопрос к электрикам [Re: Fencer]
      15 марта 2010 в 11:30 Гілками

При последовательно подключенных лампочках - никак.

Роздрукувати   Нагадати!   Сповістити модератора   Відправити по E-mail
энтузиаст ***
Киев
Сообщения: 373
С нами с 02.03.2009

Re: Вопрос к электрикам [Re: Fencer]
      15 марта 2010 в 12:52 Гілками

Если это офис с подвесными потолками и гипсокартонными стенами, все решается легко.
Если это квартира и все замуровано, то без штробы или короба не обойтись.


Роздрукувати   Нагадати!   Сповістити модератора   Відправити по E-mail
иной **
25 лет за рулем,
Сообщения: 25057
С нами с 26.12.2001

Re: Вопрос к электрикам [Re: Andrey_G]
      15 марта 2010 в 13:28 Гілками

Квартира,есть возможность только в гипсокартон подключить еще один провод и лампочки параллельно включить.Но сей провод идет от выключателя на стене и "до выключателя" я его не затяну.

Роздрукувати   Нагадати!   Сповістити модератора   Відправити по E-mail
важничающий писатель *
Киев
Сообщения: 2250
С нами с 14.12.2009

Re: Вопрос к электрикам [Re: Fencer]
      15 марта 2010 в 14:04 Гілками

В ответ на:

Коллеги,прошу помощи,а то что-то мозг отказывается сообразить.Итак,есть настенный выключатель,на котором висят три последовательно подключенных лампочки.
Задача - сделать так,чтобы одна из ламп могла включаться независимо от двух других своим выключателем,без необходимости щелкать настенным.
Это типа "проходной" должен быть? Где?




Может все таки лампочки подключены параллельно, просто размещены одна за другой?

Тогда на лампочку, которую хочется включать отдельно нужно вести свою проводку от своего выключателя. Иди нужно датчик движения поставить?


Роздрукувати   Нагадати!   Сповістити модератора   Відправити по E-mail
энтузиаст ***
Киев
Сообщения: 373
С нами с 02.03.2009

Re: Вопрос к электрикам [Re: Fencer]
      15 марта 2010 в 14:58 Гілками Прикріплені файли (0 завантажити)

Ну а поставить новый выключатель под тот светильник и все-таки культурно коробом пройтись по стене и потолку?

Ну а поставить новый выключатель под тот светильник и все-таки культурно коробом пройтись по стене и потолку.


Роздрукувати   Нагадати!   Сповістити модератора   Відправити по E-mail
пАдонАк **
47 лет (31 год за рулем), Киев
Сообщения: 8614
С нами с 08.11.2001

Re: Вопрос к электрикам [Re: Fencer]
      15 марта 2010 в 15:49 Гілками

нарисуй схему как есть и как хочешь сделать.
последовательно у тебя не может быть соединено, это для начала.
короче определись с постановкой задачи.
-->

Роздрукувати   Нагадати!   Сповістити модератора   Відправити по E-mail
иной **
25 лет за рулем,
Сообщения: 25057
С нами с 26.12.2001

Re: Вопрос к электрикам [Re: _K2_]
      15 марта 2010 в 17:06 Гілками Прикріплені файли (0 завантажити)

В ответ на:

последовательно у тебя не может быть соединено, это для начала.
короче определись с постановкой задачи.



Ну да ступил,как не электрик коряво написал.С т з электрики - подключены параллельно.
Рисовать не умею саффсем пачти...
Задача - сделать так,чтоб лампочка 1 включалась независимо от 2 и 3...Хотя я пока такого варианта не вижу.

Ну да ступил,как не электрик коряво написал.С т з электрики - подключены параллельно


Роздрукувати   Нагадати!   Сповістити модератора   Відправити по E-mail
V.I.P **
Киев
Сообщения: 13146
С нами с 20.09.2001

Re: Вопрос к электрикам [Re: Fencer]
      15 марта 2010 в 17:49 Гілками



у меня, например, на лампу идет 3 жилы (фаза, ноль и земля). Земля не используется никак. Можно по земле пустить вторую фазу (это как идея).
Может, есть скрытые резервы?

а еще можно веревочки-выключатели на каждую лампу. Дернул - и свет горит, дернул еще раз...

Змінено maksym (17:51 15/03/2010)


Роздрукувати   Нагадати!   Сповістити модератора   Відправити по E-mail
Сообщения: 58389
С нами с 03.09.2001

Re: Вопрос к электрикам [Re: Fencer]
      15 марта 2010 в 18:00 Гілками

В ответ на:

Задача - сделать так,чтоб лампочка 1 включалась независимо от 2 и 3...Хотя я пока такого варианта не вижу.



А какой ты вариант хочешь увидеть, кроме как еще один выключатель, плюс еще один провод?


Роздрукувати   Нагадати!   Сповістити модератора   Відправити по E-mail
старый писатель **
Донецкая обл.
Сообщения: 754
С нами с 04.05.2007

Re: Вопрос к электрикам [Re: Drunkard]
      15 марта 2010 в 19:47 Гілками

В ответ на:

В ответ на:

Задача - сделать так,чтоб лампочка 1 включалась независимо от 2 и 3...Хотя я пока такого варианта не вижу.



А какой ты вариант хочешь увидеть, кроме как еще один выключатель, плюс еще один провод?



Попробуй так советовали выше. Непосредственно на лампах ставятся нормально включенные выключатели (любые маленькие типа тумблера со шнурочком ). Включаешь "главный" выключатель - горят все три. Выключаешь два у ненужных ламп остается гореть одна. Штробить ничего не надо )).


Змінено Энергетик камикадзе (20:04 15/03/2010)


Роздрукувати   Нагадати!   Сповістити модератора   Відправити по E-mail
подсевший на форум ***
Киев
Сообщения: 22702
С нами с 20.01.2008

Re: Вопрос к электрикам [Re: Энергетик камикадзе]
      16 марта 2010 в 11:07 Гілками

В ответ на:

В ответ на:

В ответ на:

Задача - сделать так,чтоб лампочка 1 включалась независимо от 2 и 3...Хотя я пока такого варианта не вижу.



А какой ты вариант хочешь увидеть, кроме как еще один выключатель, плюс еще один провод?



Попробуй так советовали выше. Непосредственно на лампах ставятся нормально включенные выключатели (любые маленькие типа тумблера со шнурочком ). Включаешь "главный" выключатель - горят все три. Выключаешь два у ненужных ламп остается гореть одна. Штробить ничего не надо )).



Лишняя работа-выключатели в каждую лампу тулить.У меня на даче похожее в гараже сделано так-обычное релле на 220,на 4 контакта,вмонтировано прямо в светильник и выключатель для релле,тоже в светильник вмонтированный,с цепочкой.И всех делов.На 1 лампу через основной выключатель ток идет,на остальные-через релле.Надо-все горят,не надо-1 включил.Никаких дополнительных проводок не надо.

Роздрукувати   Нагадати!   Сповістити модератора   Відправити по E-mail
IesuiT **
49 лет (23 года за рулем), Киев
Сообщения: 46170
С нами с 08.03.2005

Re: Вопрос к электрикам [Re: Fencer]
      16 марта 2010 в 14:09 Гілками

По двум проводам только диодами можно. Нужны 4 диода, два конденсатора и лампочки на 110ть вольт, ну и собственно выключатель двухклавишный.

Роздрукувати   Нагадати!   Сповістити модератора   Відправити по E-mail
Autoua.netФорумВирішення побутових проблем
Додаткова інформація
5 користувачів і 117 що побажали залишитися невідомими читають цей форум.

Модератор:  AlMat, doctor_b, moderator, Outdriver 

Роздрукувати всю тему

Права
      Ви не можете створювати нові теми
      Ви не можете відповідати на повідомлення
      HTML дозволений
      UBBCode дозволений

Рейтинг:
Переглядів теми: 3764

Оціните цю тему

Перейти в

Правила конференції | Календар | FAQ | Карта розділу | Мобільна версія