autoua
×
Autoua.netФорумFord форум

Пипец на ровном месте. Крепление стабилизатора к лонжерону.

Супер писатель! ***
Киев
Сообщения: 3995
С нами с 19.02.2003

Пипец на ровном месте. Крепление стабилизатора к лонжерону.
      6 мая 2004 в 10:48 Гілками

Месяц назад отдавал машинку на лёгкую переборку ходовой. Были заменены втулки стабилизатора, сайлентблоки рычагов, по мелочи ещё всего. Беспокоил стук по днищу при езде на небольшой скорости (до 20-30 км/ч) по кочкам. Стук вроде прошёл (или это мне показалось), но км через 200 начал опять постепенно проявляться. Седни опять был у них - вердикт - сорваны оба крепления стабилизатора. Они как-то прихвачены, но зажать не получаеться - внутренняя гайка прокручиваеться. Скорее всего эти мастера её и сорвали ( совпадений таких не бывает) , но этого не признают. Их цена за исправление бага - 250 грн. ( в эту цену входит и замена пыльника на шаровой). Может кто уже сталкивался с подобным, поделитесь плиз мыслями - можно ли это сделать где дешевле, или цена нормальная.

Роздрукувати   Нагадати!   Сповістити модератора   Відправити по E-mail
энтузиаст ****
46 лет, Киев
Сообщения: 202
С нами с 03.04.2003

Re: Пипец на ровном месте. Крепление стабилизатора к лонжерону. [Re: Drinkens]
      7 мая 2004 в 09:36 Гілками

Недели 2 назад у меня была похожая ситуация, только оторвано было крепление от стойки, причем по-живому (и видимо не в первый раз - до меня его уже варили). Приварил все обратно за 50 грн на СТО УкрАвто сразу на повороте на Чайку, но рекомендовать их не буду, так как:
1. Считаю что это дороговато за один сварной шов + раскрутить/закрутить 5 гаек (4 - колесо, 1 - сам стабилизатор)
2. Отношение к работе какое-то совковское.
3. Когда откручитали гайку крепления стабилизатора - там чтобы ее открутить нужно зафиксировать хреновину (не знаю как она правильно называется - что-то типа шарнира через который стабилизатор крепится к стойке). Там она специально по восьмигранный ключ на 6.5 сделана. В общем у них бул ключ на 6 и на 7, а на 6.5 не было - результат - срезали зацепы -теперь ее ключом не зафиксируешь...
4. Когда поднимали подъемником - передняя правая лапа немного уперлась в порог снизу - результат - небольшая вмятина.

Вобщем считаю что минусов чересщур много...


Роздрукувати   Нагадати!   Сповістити модератора   Відправити по E-mail
Киев
Сообщения: 41811
С нами с 03.08.2001

Хм, странная конструкция у тебя(+) [Re: Victor@Escort]
      7 мая 2004 в 10:42 Гілками

На моём Эскорте шаровые нарниры тяги стабилизатора имеют шлицы под ключ на 17(это родные), а на лемфордеровских так вообще простой 6-тигранник под ключ на 17
Неужели в кузове после 95-го года так всё переделали??


Роздрукувати   Нагадати!   Сповістити модератора   Відправити по E-mail
энтузиаст ****
46 лет, Киев
Сообщения: 202
С нами с 03.04.2003

Re: Хм, странная конструкция у тебя(+) [Re: Maks_on_Escort]
      7 мая 2004 в 14:56 Гілками Прикріплені файли (3 завантажити)

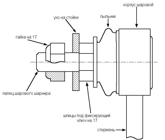
Поскольку я не знаю точных терминов - то нарисовал рисунок
Фигня б проворачивается в фигне в вокруг своей оси. Для того, что-бы откутить гайку (вот она то вроде и есть на 17), с помощью которой стабилизатор крепится к стойке, необходимо как-то зафиксировать фигню б. Для этого в фигню а вставляем ключ (вроде на 6.5)...

P.S. Буду очень благодарен если просветите как правильно эти фигни называюся...

Поскольку я не знаю точных терминов - то нарисовал рисунок Фигня б проворачивается в фигне в вокруг своей оси. Для того, что-бы откутить гайку (вот она то вроде и есть на 17), с помощью которой стабилизатор крепится к стойке, необходимо как-то зафиксировать фигню б


Роздрукувати   Нагадати!   Сповістити модератора   Відправити по E-mail
Киев
Сообщения: 41811
С нами с 03.08.2001

У меня вот так(+) [Re: Victor@Escort]
      9 мая 2004 в 12:57 Гілками Прикріплені файли (2 завантажити)

Что на мой взгляд гораздо проще и удобне, хотя чуть более громоздко.
Интересно, зачем на более новых машинках поменяли конструкцмию и на сколько отличается длинна стойки? Может они взаимозаменяемые?

Что на мой взгляд гораздо проще и удобне, хотя чуть более громоздко.Интересно, зачем на более новых машинках поменяли конструкцмию и на сколько отличается длинна стойки


Роздрукувати   Нагадати!   Сповістити модератора   Відправити по E-mail
Autoua.netФорумFord форум
Додаткова інформація
0 користувачів і 9 що побажали залишитися невідомими читають цей форум.

Модератор:  LOMOND, moderator 

Роздрукувати всю тему

Права
      Ви не можете створювати нові теми
      Ви не можете відповідати на повідомлення
      HTML дозволений
      UBBCode дозволений

Рейтинг:
Переглядів теми: 1504

Оціните цю тему

Перейти в

Правила конференції | Календар | FAQ | Карта розділу | Мобільна версія