autoua
×
Autoua.netФорумAlfa Romeo, Fiat, Lancia форум

Отчет о смене тяг коробки передач на фиате типо.

подмастерье
Сообщения: 58
С нами с 30.10.2003

Отчет о смене тяг коробки передач на фиате типо.
      2 июня 2004 в 13:30 Гілками Прикріплені файли (61 завантажити)

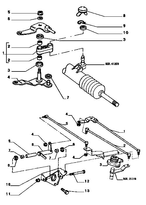
Предыстория:
Мне досталась машинка с одной тягой, которая уже была привязана проволочкой и ездила она так достаточно долго, и вот когда у меня соскочила и вторая тяга, было принято решение заменить сразу все три тяги, ну и естественно своими силами.

Были куплены три тяги на окружной за 180 грн (50+50+80)
Замену лучше производить на яме (эстакаде) т.к. очень не удобно доступаться к гайкам, хотя при определенной сноровке и ловкости рук можно обойтись без оной.
После отмачивания ВеДешкой гайки раскрутились довольно просто (одним ключиком откручиваешь гайку, другим, удерживаешь шарнир за четырехгранник, что-бы он не прокручивался)
По ходу поменял резиновые втулки (3) т.к. они оказались порванными.
После извлечения старых тяг, вставил на их место новые и закрутил 6 гаек.
После проверил правильное включение всех передач и остался доволен собой
На всю эту операцию, потребовался где-то час времени.

P.S.
По дурацки сделаны пыльники в этих тягах, со временем они просто отходят от шарниров и естественно туда попадает пыль и песок и стачивает эти шарниры до состояния, когда они свободно выпадают
Я на всякий случай под пыльники в новых тягах напаковал литол.

Предыстория:Мне досталась машинка с одной тягой, которая уже была привязана проволочкой и ездила она так достаточно долго, и вот когда у меня соскочила и вторая тяга, было принято решение заменить сразу все три тяги, ну и естественно своими силами.Были куплены три тяги на окружной за 180 грн (50+50+80)Замену лучше производить на яме (эстакаде) т


Роздрукувати   Нагадати!   Сповістити модератора   Відправити по E-mail
Autoua.netФорумAlfa Romeo, Fiat, Lancia форум
Додаткова інформація
0 користувачів і 4 що побажали залишитися невідомими читають цей форум.

Модератор:  BorisB, moderator 

Роздрукувати всю тему

Права
      Ви не можете створювати нові теми
      Ви не можете відповідати на повідомлення
      HTML дозволений
      UBBCode дозволений

Рейтинг:
Переглядів теми: 4065

Оціните цю тему

Перейти в

Правила конференції | Календар | FAQ | Карта розділу | Мобільна версія