autoua
×
Autoua.netФорумDaewoo форум

Не завелся (2/2)

важничающий писатель **
46 лет (27 лет за рулем), Киев
Сообщения: 2273
С нами с 28.12.2006

Re: Не завелся [Re: pashki]
      24 декабря 2010 в 15:02 Гілками

В ответ на:

Утром не завелся. ищу зарядное устройство.
Пока нашел http://akym.com.ua/2869.html
Нормльное? Или что то другое искать?




Зарядное - нормальное, у самого такое (заряжаю аккум раз в 2-3 месяца т.к. одна машина мало ездит, но имеет не слабую утечку ввиду кой-какого допоборудования). Только тебе оно не нужно. У тебя аккум попросту износился. Лампочки светить он может, даже емкость имеет (берет заряд, разряд малыми токами показывает хороший). Но стартер он уже крутнуть не может. Это происходит из-за безвозвратного сульфатирования или осыпания пластин, банку могло закоротить. При -10 будут тебе танцы с бубном и зарядкой аккума каждую ночь, оно надо? Короче купи новый, ту же Весту за 450 гривен (в прошлом году покупал тестю на Ланос) и будет тебе великое счастье.

Змінено FFusion (15:09 24/12/2010)


Роздрукувати   Нагадати!   Сповістити модератора   Відправити по E-mail
Достоевский ***
Киев
Сообщения: 7049
С нами с 02.10.2003

Re: Не завелся [Re: FFusion]
      24 декабря 2010 в 15:49 Гілками

В ответ на:

В ответ на:

Утром не завелся. ищу зарядное устройство.
Пока нашел http://akym.com.ua/2869.html
Нормльное? Или что то другое искать?




Зарядное - нормальное, у самого такое (заряжаю аккум раз в 2-3 месяца т.к. одна машина мало ездит, но имеет не слабую утечку ввиду кой-какого допоборудования). Только тебе оно не нужно. У тебя аккум попросту износился. Лампочки светить он может, даже емкость имеет (берет заряд, разряд малыми токами показывает хороший). Но стартер он уже крутнуть не может. Это происходит из-за безвозвратного сульфатирования или осыпания пластин, банку могло закоротить. При -10 будут тебе танцы с бубном и зарядкой аккума каждую ночь, оно надо? Короче купи новый, ту же Весту за 450 гривен (в прошлом году покупал тестю на Ланос) и будет тебе великое счастье.




Это какую Весту за 450 грн? 600 грн. стоит такой акум для Ланоса (60Ач)


Роздрукувати   Нагадати!   Сповістити модератора   Відправити по E-mail
СуперСтар ****
49 лет (26 лет за рулем), Запорожье
Сообщения: 4280
С нами с 14.10.2004

Re: Не завелся [Re: WildHawk]
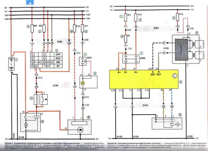
      24 декабря 2010 в 18:15 Гілками Прикріплені файли (0 завантажити)

Смотри схему, найдешь реле, напиши где оно...

Смотри схему, найдешь реле, напиши где оно.


Роздрукувати   Нагадати!   Сповістити модератора   Відправити по E-mail
СуперСтар ****
49 лет (26 лет за рулем), Запорожье
Сообщения: 4280
С нами с 14.10.2004

Re: Не завелся [Re: Mihas]
      24 декабря 2010 в 18:17 Гілками

А клацать мог бендикс, стуча по маховику. Правда это довольно громкий звук...

Роздрукувати   Нагадати!   Сповістити модератора   Відправити по E-mail
старожил ****
42 года (19 лет за рулем), Киев
Сообщения: 696
С нами с 22.08.2006

Re: Не завелся [Re: Mihas]
      24 декабря 2010 в 20:58 Гілками

Ездил на СТО.
Поменяли втягивающее, бендикс и 2 втулки. Получилось дорого. По крайней мере на ланос-форуме новые Валео стартера предлагают по 500грн. Ремонт обошелся дороже. Вот в след раз что лучше будет купить такой стартер за 500(наверно китайский, и соотв качества) или делать ремонт текущего, не самыми дешевыми, а типа оригинальными-дорогими запчастями?
Теперь заводить без проблем И тихо как будто иномарка аж приятно
Акум остался пока старый, который уже 100к отездил, н пока работает без проблем. Ну а так как машина больше 2х дней подряд не стоит, то надеюсь до конца зимы проблем не будет.


Роздрукувати   Нагадати!   Сповістити модератора   Відправити по E-mail
R.I.P. **
51 год, Киев
Сообщения: 16808
С нами с 11.01.2003

Re: Не завелся [Re: Mihas]
      25 декабря 2010 в 02:18 Гілками

Ок. В воскресенье, если не забуду - проверю в реале. Заведется ли без реле. Клацало реле в блоке под капотом. Именно когда на стартер ключ проворачивал, зажигание не при чём. Своими пальцами проверял и менял на другое для теста тогда.

Роздрукувати   Нагадати!   Сповістити модератора   Відправити по E-mail
СуперСтар ****
49 лет (26 лет за рулем), Запорожье
Сообщения: 4280
С нами с 14.10.2004

Re: Не завелся [Re: pashki]
      25 декабря 2010 в 08:48 Гілками

В ответ на:

Поменяли втягивающее, бендикс и 2 втулки.



Помоему поменяли много деталей, достаточно было бы замены втягивающего реле, а может даже просто его прочистки...Ну то такое


Роздрукувати   Нагадати!   Сповістити модератора   Відправити по E-mail
СуперСтар ****
49 лет (26 лет за рулем), Запорожье
Сообщения: 4280
С нами с 14.10.2004

Re: Не завелся [Re: WildHawk]
      25 декабря 2010 в 08:53 Гілками

В ответ на:

В воскресенье, если не забуду - проверю в реале. Заведется ли без реле. Клацало реле в блоке под капотом



Дык скорее всего и не заведеться, раз реле клацало, оно что-то включало важное, что должно работать. А ты его отключишь...
Правильнее было бы сказать, что будет ли работать стартер, если отключишь то реле, что клацает. А вот машина вряд ли заведется


Роздрукувати   Нагадати!   Сповістити модератора   Відправити по E-mail
старожил ****
42 года (19 лет за рулем), Киев
Сообщения: 696
С нами с 22.08.2006

Re: Не завелся [Re: Mihas]
      25 декабря 2010 в 12:31 Гілками

ну про втулки может быть, а на старом бендиксе они показывали, там кольца какие то поламались.

Роздрукувати   Нагадати!   Сповістити модератора   Відправити по E-mail
важничающий писатель **
46 лет (27 лет за рулем), Киев
Сообщения: 2273
С нами с 28.12.2006

Re: Не завелся [Re: PAMih]
      27 декабря 2010 в 17:21 Гілками

В ответ на:

Это какую Весту за 450 грн? 600 грн. стоит такой акум для Ланоса (60Ач)




Иста Европуск - 510 гривен в первом попавшемся интернет-магазине. Можно взять и не 60а/ч, а те же 45 (вот только не надо про зарядку - не смешно баянить

Вообще места знать нужно и не будет вам по 600 гривен за батарейку


Роздрукувати   Нагадати!   Сповістити модератора   Відправити по E-mail
IesuiT ***
60 лет (31 год за рулем), Кременчуг
Сообщения: 38407
С нами с 26.10.2001

Re: Не завелся [Re: WildHawk]
      27 декабря 2010 в 21:51 Гілками

реле бензонасоса

Роздрукувати   Нагадати!   Сповістити модератора   Відправити по E-mail
Достоевский ***
Киев
Сообщения: 7049
С нами с 02.10.2003

Re: Не завелся [Re: FFusion]
      28 декабря 2010 в 02:11 Гілками

В ответ на:

В ответ на:

Это какую Весту за 450 грн? 600 грн. стоит такой акум для Ланоса (60Ач)




Иста Европуск - 510 гривен в первом попавшемся интернет-магазине. Можно взять и не 60а/ч, а те же 45 (вот только не надо про зарядку - не смешно баянить

Вообще места знать нужно и не будет вам по 600 гривен за батарейку




Но все же, именно Весты за 500 грн. я не нашел.


Роздрукувати   Нагадати!   Сповістити модератора   Відправити по E-mail
Супер писатель! ***
39 лет за рулем, Полтава
Сообщения: 3564
С нами с 01.11.2005

Re: Не завелся [Re: MadMax]
      28 декабря 2010 в 10:31 Гілками

а таки да на 3 секунды (примерно) включается...

Роздрукувати   Нагадати!   Сповістити модератора   Відправити по E-mail
TIN 1
опытный писатель *
51 год (33 года за рулем), Київ
Сообщения: 1455
С нами с 23.04.2003

Re: Не завелся [Re: WildHawk]
      28 декабря 2010 в 12:27 Гілками

у меня при такой же ситуации помогло снятие стартера и его чистка (внутри был мягко говоря ОЧЕНЬ грязный)
помыт-почищен и уже 2 года работает шо молодой

зачем платить больше? (С)


Роздрукувати   Нагадати!   Сповістити модератора   Відправити по E-mail
ýíòóçèàñò ***
Бахмут
Сообщения: 984
С нами с 24.05.2004

Re: Не завелся [Re: WildHawk]
      31 декабря 2010 в 16:19 Гілками

В ответ на:

поменял после почти 7 лет родного Zap.
Повторюсь - ща доволен.
Ну хва моему. 7 лет открутил, с учетом что я по городу езжу с частыми остановками (не таксист ) АКБ 6 лет прожил.




Сёдня - 31 декабря, не приходя в сознание, умер мой "родной" ЗАП,
по какой то странной случайности, дата смерти и дата рождения совпали день в день, ровно 7лет...
Реонимации не подлежит, наглухо закоротило одну из "банок"...
причина немного понятна,
на кануне поездил в сильный туман( все "светильники" вкл), старичёк явно подразрядился,
так и простоял три дня...
а сегодня был морозец в -10С
при пониженой плотности электролит в баночке замёрз, ну естественно закоротив пластины...
ну и нагрузка стартером только усугубила ситуацию -пробой полный
благо дело не совковые времена, даже 31 декабря, доставка на дом нового с гарантией Словака на 60Ач всего за 600грн
Всех с Наступающим!!!


Роздрукувати   Нагадати!   Сповістити модератора   Відправити по E-mail
Autoua.netФорумDaewoo форум
Додаткова інформація
0 користувачів і 4 що побажали залишитися невідомими читають цей форум.

Модератор:  AVB, moderator 

Роздрукувати всю тему

Права
      Ви не можете створювати нові теми
      Ви не можете відповідати на повідомлення
      HTML дозволений
      UBBCode дозволений

Рейтинг:
Переглядів теми: 8608

Оціните цю тему

Перейти в

Правила конференції | Календар | FAQ | Карта розділу | Мобільна версія