autoua
×
Autoua.netФорумВирішення побутових проблем

Вопрос к электронщикам по схемотехнике(+)

важничающий писатель ***
33 года за рулем, Киев
Сообщения: 2334
С нами с 15.08.2002

Вопрос к электронщикам по схемотехнике(+)
      14 августа 2004 в 14:21 Гілками Прикріплені файли (13 завантажити)

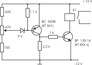
Я тут набросал и собрал схемку, но есть нюансы.
Для чего схема: при превышении напряжения 13.2 В включает рэле. Моя идея была в том, чтобы силовой транзистор работал в ключевом режиме. Псле сборки, получилось, так, что при достижении порогового напряжения (13.2 В) сначала рэле "шипит", а через несколько секунд переключает контакты. По-видимому это обуславливается не мгновенным, а постепенным ростом силы тока в обмотке рэле. Как мне кажется я использовал неверные номиналы резисторов. Или смещение мало. Я не электронщик, и не могу сообразить, что здесь можно поменять.
Буда благодарен за подсказки.

Я тут набросал и собрал схемку, но есть нюансы.Для чего схема: при превышении напряжения 13


Роздрукувати   Нагадати!   Сповістити модератора   Відправити по E-mail
ПАПАрация ***
50 лет (27 лет за рулем), Киев
Сообщения: 13706
С нами с 09.02.2004

И где ты такую схемку откопал-то...(+) [Re: Mika]
      15 августа 2004 в 21:38 Гілками

горбатенькую, ну да ладно.

По-перше: воткни диод какой-нибудь параллельно обмотке реле (катодом на +питания), бо сгорит транзюк, релюху включающий - не сразу, так очень скоро.
По-друге: при напругах, близких к пороговым любая подобная схема работает в активном режиме и чем меньше ее усиление, тем ширшэ этот диапазон.
Короче, говоря совсем простым языком тебе нужно ввести ПОС в виде резюка между базой первого и коллектором второго транзюка килоом на несколько или несколько десятков. А сопротивление сего резюка будет определять величину гистерезиса при переключении.
Я б целился в 3-4 десятых вольта.
Нужно точнее - ставь компаратор с опорой, а с транзюка и стабилитрона точности




пысы: кстати это у тебя напруга медленно росла либо росла неровно.
Транзюку наоборот легче включить индуктивную нагрузку



Роздрукувати   Нагадати!   Сповістити модератора   Відправити по E-mail
IesuiT ***
60 лет (30 лет за рулем), Кременчуг
Сообщения: 38407
С нами с 26.10.2001

про неровно вполне может быть , надо (+) [Re: B.O.S.]
      16 августа 2004 в 22:20 Гілками

осликом глянуть состояние напряжения в борт сети , могут быть броски ( износ щеток гены например или еще что ), тогда
в районе порога будет дребезжать , убрать можно только гистерезисом включения выключения.


Роздрукувати   Нагадати!   Сповістити модератора   Відправити по E-mail
важничающий писатель ***
33 года за рулем, Киев
Сообщения: 2334
С нами с 15.08.2002

Re: И где ты такую схемку откопал-то...(+) [Re: B.O.S.]
      17 августа 2004 в 01:17 Гілками Прикріплені файли (4 завантажити)

Эту горбатенькую я из кусков других схем слепил. Спасибо, что не поленился и довольно подробно описал. Если не сложно глянь в приаттаченные файлы на предмет исправлений. Диод можно исппользовать любой (типа Кд522) или помощнее? В подобных ситуациях я встречал нечто подобное Кд 226 только в буржуйсклм исполнении.
А резистор около 4.6 кОм?
Не нужно ли что-то от возбуждения, типа емкости между базой и коллектором VT1?

Спасибо

Эту горбатенькую я из кусков других схем слепил. Спасибо, что не поленился и довольно подробно описал


Роздрукувати   Нагадати!   Сповістити модератора   Відправити по E-mail
опытный писатель **
65 лет, Киев
Сообщения: 1481
С нами с 03.08.2002

А нафига сей девайс нужен? [Re: Mika]
      17 августа 2004 в 02:46 Гілками

...???

Роздрукувати   Нагадати!   Сповістити модератора   Відправити по E-mail
важничающий писатель ***
33 года за рулем, Киев
Сообщения: 2334
С нами с 15.08.2002

Re: А нафига сей девайс нужен? [Re: Vitan]
      19 августа 2004 в 01:48 Гілками

Моторная лодка, гарантия, необходимо установить счётчик моточасов. Счетчик: подаещь 12 вольт - считает. Работать должен только при запущенном двигателе. Вот я и подумал, что при запуске напряжение повышается минимум до 13.4 вольт (по крайней мере на сузуки происходит именно так), и взял это за основу.

Роздрукувати   Нагадати!   Сповістити модератора   Відправити по E-mail
опытный писатель **
65 лет, Киев
Сообщения: 1481
С нами с 03.08.2002

Все это делается просто и оригинально... [Re: Mika]
      19 августа 2004 в 02:55 Гілками

....с помощью геркончика!

Роздрукувати   Нагадати!   Сповістити модератора   Відправити по E-mail
СуперСтар ***
68 лет (49 лет за рулем), Херсон
Сообщения: 4486
С нами с 05.07.2001

За это я был на ВДНХ (+) [Re: Mika]
      19 августа 2004 в 22:28 Гілками

Лет 25 назад сделал рацуху по подобной схеме, только реле имеет большое время срабатывания и как правило, все уже успевает сгореть, поэтому я применил вместо реле тиристор. Идею я высмотрел в какой-то радиолюбительской книжке для передатчиков УКВ, а на работе применил почти в аналогичных целях - для защиты выходных ВЧ транзисторов в автомобильных радиостанциях. Дословно схему конечно же не помню, но идея такова - тиристор как диод, но имеет управляющий электрод, который открывает или закрывает тиристор и соответственно прекращает протекание тока при повышении напряжения выше допустимого. При том, по времени срабатывания и отключения нагрузки реле курит ...

Роздрукувати   Нагадати!   Сповістити модератора   Відправити по E-mail
важничающий писатель ***
33 года за рулем, Киев
Сообщения: 2334
С нами с 15.08.2002

Re: Все это делается просто и оригинально... [Re: Vitan]
      19 августа 2004 в 23:18 Гілками

Каким образом? от зажигания взять не проблема, но надо чтобы контактя замыкались только при запущеном двигателе.

Роздрукувати   Нагадати!   Сповістити модератора   Відправити по E-mail
важничающий писатель ***
33 года за рулем, Киев
Сообщения: 2334
С нами с 15.08.2002

Re: За это я был на ВДНХ (+) [Re: Mistreated]
      19 августа 2004 в 23:23 Гілками

То есть, вместо транзистора управлять тиристором?
Спасибо за идейку. П


Роздрукувати   Нагадати!   Сповістити модератора   Відправити по E-mail
опытный писатель **
65 лет, Киев
Сообщения: 1481
С нами с 03.08.2002

На геркон нормально разомкнутый наматываеется..... [Re: Mika]
      19 августа 2004 в 23:45 Гілками

...обмотка при подаче напряжения на каторую он срабатывает.

Роздрукувати   Нагадати!   Сповістити модератора   Відправити по E-mail
Autoua.netФорумВирішення побутових проблем
Додаткова інформація
3 користувачів і 123 що побажали залишитися невідомими читають цей форум.

Модератор:  AlMat, doctor_b, moderator, Outdriver 

Роздрукувати всю тему

Права
      Ви не можете створювати нові теми
      Ви не можете відповідати на повідомлення
      HTML дозволений
      UBBCode дозволений

Рейтинг:
Переглядів теми: 3002

Оціните цю тему

Перейти в

Правила конференції | Календар | FAQ | Карта розділу | Мобільна версія