autoua
×
Autoua.netФорумРадіо

Объясните физику процесса (2/2)

опытный писатель ***
Киев
Сообщения: 1306
С нами с 17.04.2008

Re: Объясните физику процесса [Re: nivus]
      18 января 2012 в 02:15 Гілками Прикріплені файли (0 завантажити)

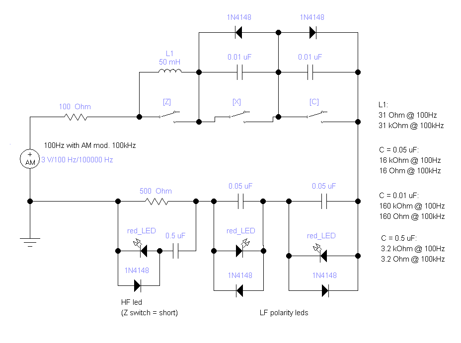
Вот схемка

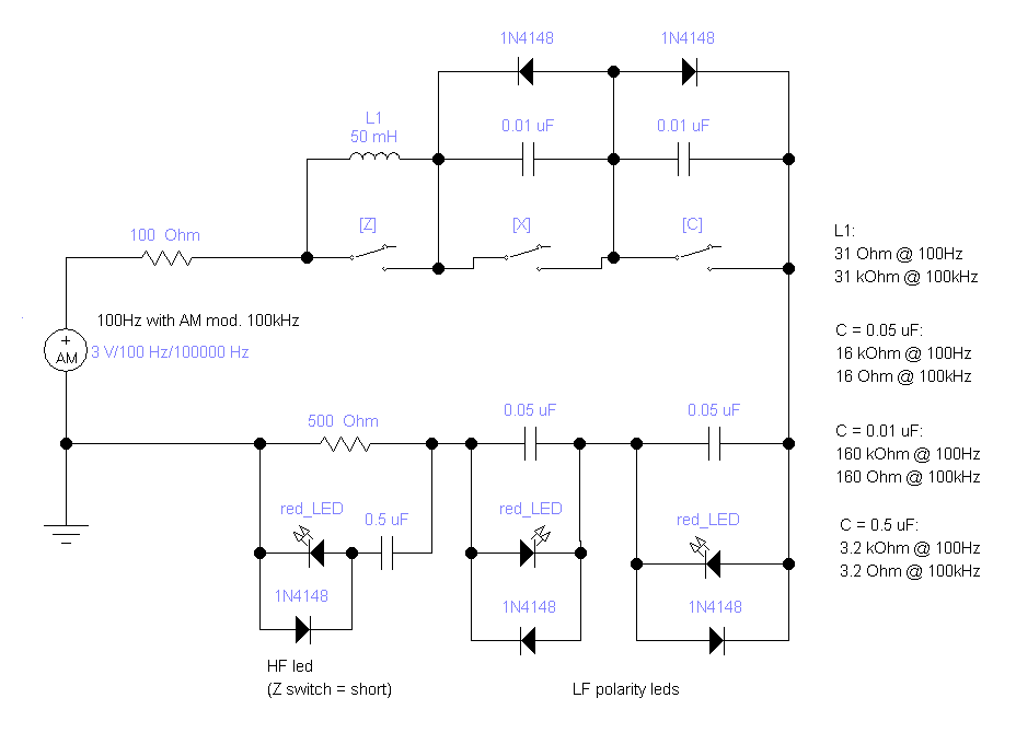
Вот схемка


Роздрукувати   Нагадати!   Сповістити модератора   Відправити по E-mail
энтузиаст ***
Киев
Сообщения: 225
С нами с 09.12.2010

Re: Объясните физику процесса [Re: nivus]
      18 января 2012 в 10:54 Гілками

Паша никто не спорит о голове и руках людей которые разработали данный шедевр. Молодцы.
Человек разбирающийся в электронике сразу скажет ищите скрытый монтаж, не все так есть как нарисовано. Фокус. А любой фокус это создание давления -
Но интересно.


Роздрукувати   Нагадати!   Сповістити модератора   Відправити по E-mail
member **
Киев
Сообщения: 136
С нами с 26.12.2010

Re: Объясните физику процесса [Re: UT5UUU]
      15 февраля 2012 в 20:39 Гілками

Вот, случайно на ВИДЕО наткнулся с разгадкой для мифических LED
Прошу пардона, если вдруг было...


Роздрукувати   Нагадати!   Сповістити модератора   Відправити по E-mail
приверженец *
Киев
Сообщения: 483
С нами с 08.10.2008

Re: Объясните физику процесса [Re: SaiLan]
      16 февраля 2012 в 20:03 Гілками

Паша, так ты фокусник?!

Роздрукувати   Нагадати!   Сповістити модератора   Відправити по E-mail
Autoua.netФорумРадіо
Додаткова інформація
0 користувачів і 59 що побажали залишитися невідомими читають цей форум.

Модератор:  plexmen, moderator 

Роздрукувати всю тему

Права
      Ви не можете створювати нові теми
      Ви не можете відповідати на повідомлення
      HTML дозволений
      UBBCode дозволений

Рейтинг:
Переглядів теми: 6197

Оціните цю тему

Перейти в

Правила конференції | Календар | FAQ | Карта розділу | Мобільна версія