autoua
×
Autoua.netФорумVolkswagen форум

странное поведение системы охлаждения....(+) (2/2)

старожил ****
Киев
Сообщения: 620
С нами с 28.10.2006

Re: странное поведение системы охлаждения....(+) [Re: SerGolf]
      7 ноября 2006 в 19:14 Гілками

Если термостат срабатывает на 2-3 гр позже, то температура в блоке повышается на 10-12 гр. Печка в Фольксах работает постоянно, но дополнительно охлаждает антифриз только когда открыто положение "тепло". И ещё. Термостат может не до конца перекрывать малый круг "кровообращения", а всё, как известно, движется по пути наименьшего сопротивления.

Роздрукувати   Нагадати!   Сповістити модератора   Відправити по E-mail
энтузиаст
42 года, Львов
Сообщения: 276
С нами с 14.06.2006

Re: странное поведение системы охлаждения....(+) [Re: Диагност]
      7 ноября 2006 в 19:16 Гілками

Да, ты прав, но вот незадача - радиатор печки новенький - менял вместе с жидкостью прошлой осенью. Грязи быть не должно.

Роздрукувати   Нагадати!   Сповістити модератора   Відправити по E-mail
СуперСтар **
14 лет (14 лет за рулем), Ковель
Сообщения: 4508
С нами с 23.11.2004

Re: странное поведение системы охлаждения....(+) [Re: Sasa4uk]
      7 ноября 2006 в 19:19 Гілками

Грязи быть не должно, но не факт, что нет... значит забитость радиатора проверять в самый последний момент, когда уже всё испробуешь...

Роздрукувати   Нагадати!   Сповістити модератора   Відправити по E-mail
энтузиаст
42 года, Львов
Сообщения: 276
С нами с 14.06.2006

Re: странное поведение системы охлаждения....(+) [Re: Диагност]
      7 ноября 2006 в 19:21 Гілками

В ответ на:

На машинах более позднего года выпуска от этих клапанов просто отказались.



Ты предлогаешь вариант просто соеденить 2 основные трубки к печке без всяких клапанов-термостатов?


Роздрукувати   Нагадати!   Сповістити модератора   Відправити по E-mail
Достоевский **
25 лет за рулем,
Сообщения: 8416
С нами с 19.08.2005

Re: странное поведение системы охлаждения....(+) [Re: Sasa4uk]
      7 ноября 2006 в 21:36 Гілками

Дык тоже и я сделал, но у меня была причина именно в этом долбаном термостате, он не открывался, а взять на тот момент мне его тупо негде было, вот я и переделал, как сказано "на поздих машинах" единственное "что" надо оставить трубочку для удаления воздуха из печки......
Короче, сфотаю завтра, выложу...


Роздрукувати   Нагадати!   Сповістити модератора   Відправити по E-mail
старожил ****
Киев
Сообщения: 620
С нами с 28.10.2006

Re: странное поведение системы охлаждения....(+) [Re: Valton]
      14 ноября 2006 в 01:41 Гілками

Мне стыдно, но я сам опростоволосился. Купил радиатор на фирме со своей скидкой за 70 гр. и поставил. По сравнению с заводским он просто не греет. Думаю, что при морозе 20-25 будет туго.

Роздрукувати   Нагадати!   Сповістити модератора   Відправити по E-mail
старожил ****
Киев
Сообщения: 620
С нами с 28.10.2006

Re: странное поведение системы охлаждения....(+) [Re: Sasa4uk]
      14 ноября 2006 в 01:57 Гілками

Alexander! У меня в практике был интересный прикол. Причём три раза я с этим столкнулся. Два раза на Пассате3 и раз на Боре. Вдруг перестаёт работать печка, начинает греться машина, а виной тому была крыльчатка водяного насоса, которая, тупо, свободно прокручивалась на валу. Проверить это можно ничего не разбирая. Просто слить антифриз, снять патрубок с корпуса помпы (посмотри и поймёшь какой), вставить туда отвёртку и покрутить шкив рукой. Либо снять крышку термостата и посмотреть ВООРУЖЕННЫМ глазом. Проверь. Это редкость, но не такая, чтобы снять её со счета.

Роздрукувати   Нагадати!   Сповістити модератора   Відправити по E-mail
СуперСтар **
14 лет (14 лет за рулем), Ковель
Сообщения: 4508
С нами с 23.11.2004

Re: странное поведение системы охлаждения....(+) [Re: Диагност]
      14 ноября 2006 в 07:33 Гілками

У меня такое было на шестёрка, как только купил и гнал её... Менял помпу потому как люфт был, снимаю а крыльчатка проворачивается...

Роздрукувати   Нагадати!   Сповістити модератора   Відправити по E-mail
энтузиаст
42 года, Львов
Сообщения: 276
С нами с 14.06.2006

Re: странное поведение системы охлаждения....(+) [Re: Диагност]
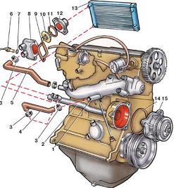
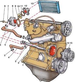
      14 ноября 2006 в 13:52 Гілками Прикріплені файли (16 завантажити)

Нескромный вопрос... какой патрубок снять и что покрутить если вот моё двигло?
15 позиция это я так понимаю помпа.

Нескромный вопрос. какой патрубок снять и что покрутить если вот моё двигло

Змінено Sasa4uk (13:52 14/11/2006)


Роздрукувати   Нагадати!   Сповістити модератора   Відправити по E-mail
старожил ****
Киев
Сообщения: 620
С нами с 28.10.2006

Re: странное поведение системы охлаждения....(+) [Re: Sasa4uk]
      14 ноября 2006 в 18:54 Гілками

Очень, очень СОРИ ! Я не посмотрел, что у ВАС 1.3 моторчик. Это всё меняет. Если ничего не найдёшь до того Как - придётся снимать. Можно, правда и не снимать, а слить охлаждалку, залить воду, снять патрубок, который идёт на печку (с головки блока), заткнуть его пальцем и завести автомобиль. При перегазовке из шланга должен быть приличный напор воды. Если оттуда еле тлеет - помпа на 90%. И ещё! Из головки может давить, а трубка обратки, которая идёт к помпе В ЗАД может быть труднопроходимой.

Роздрукувати   Нагадати!   Сповістити модератора   Відправити по E-mail
Autoua.netФорумVolkswagen форум
Додаткова інформація
0 користувачів і 5 що побажали залишитися невідомими читають цей форум.

Модератор:  moderator 

Роздрукувати всю тему

Права
      Ви не можете створювати нові теми
      Ви не можете відповідати на повідомлення
      HTML дозволений
      UBBCode дозволений

Рейтинг:
Переглядів теми: 6246

Оціните цю тему

Перейти в

Правила конференції | Календар | FAQ | Карта розділу | Мобільна версія