autoua
×
Autoua.netФорумSkoda форум

Подключение динамиков в Фабии

старожил ****
46 лет (25 лет за рулем), Киев
Сообщения: 558
С нами с 12.03.2005

Подключение динамиков в Фабии
      23 июля 2005 в 15:15 Гілками Прикріплені файли (50 завантажити)

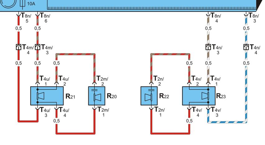
Подскажите, кто сталкивался - на рисунке схема подключения передних динамиков в Фабии. Неясно одно - какие провода "+", а какие "-"?

Подскажите, кто сталкивался - на рисунке схема подключения передних динамиков в Фабии. Неясно одно - какие провода "+", а какие "-"


Роздрукувати   Нагадати!   Сповістити модератора   Відправити по E-mail
старожил ***
45 лет, Киев
Сообщения: 554
С нами с 31.03.2005

Re: Подключение динамиков в Фабии [Re: Sashkin]
      23 июля 2005 в 21:58 Гілками

Отвечу просто:
Нафик тебе схемы?

Берешь тестер - 3 секунды и всё готово. Плюс провод там по-моему - красный и чёрный. Чёрный всю жизнь минус как ты сказал (хотя в американцах встречался и наоборот, но там зелёный и черный)

Встречные вопросы:
а что ставишь? Куда кольцо (и главное как) пластмассовое девать буш? На старых проводах всё оставляеш?


Роздрукувати   Нагадати!   Сповістити модератора   Відправити по E-mail
старожил ****
46 лет (25 лет за рулем), Киев
Сообщения: 558
С нами с 12.03.2005

Re: Подключение динамиков в Фабии [Re: ComT]
      24 июля 2005 в 09:51 Гілками

Ситуация такая: выбили мне недавно стекло и сперли магнитолу, все провода перекусили кусачками. Чтобы поставить новый разъем для подключения магнитолы, нужно определить где какие провода. Питание я нашел тестером, задние динамики ставились отдельно, их провода были маркированы, осталось выяснить, как подключить передние динамики. Цвета проводов в реальности совпадают с цветами на схеме, неясно только где плюс, а где минус

Роздрукувати   Нагадати!   Сповістити модератора   Відправити по E-mail
читатель ***
45 лет, Киев
Сообщения: 18
С нами с 15.07.2005

Re: Подключение динамиков в Фабии [Re: Sashkin]
      3 августа 2005 в 13:09 Гілками

Я как-то наблюдал такую картину. Парень определял +/-, к проводам подсоединял батарейку крону, диффузор динамика (или как его там) двигался в одну сторону, потом менял полярность и он двигался в другую. Какое движение правильное, я уже не помню. Да и на Фабии карты снимать нужно, чтоб взглянуть на динамики... Хотя можно попробовать фонариком посветить в решетку...

Змінено AndreyZ (13:11 03/08/2005)


Роздрукувати   Нагадати!   Сповістити модератора   Відправити по E-mail
энтузиаст **
48 лет, Киев
Сообщения: 393
С нами с 11.08.2004

Re: Подключение динамиков в Фабии [Re: AndreyZ]
      3 августа 2005 в 18:27 Гілками

Всегда проверяю батарейкой. Всю музыку ставил сам, профи проверяли-норма. Берёшь батарейку, подсоединяешь проводки от колоши,и, например там где + дотрагиваешся проводком до контакта батарейки и убираеш. + и - на батарейке соответствует динамику, если угадал с полярностью, то при дотрагивании проводком до батарейки динамик должен выдвинуться немного наружу-вперёд, а, если, назад-вовнутрь, то + это -, то есть наоборот. Да и слышно и видно по динамику правильно подключен или нет.

Роздрукувати   Нагадати!   Сповістити модератора   Відправити по E-mail
Autoua.netФорумSkoda форум
Додаткова інформація
0 користувачів і 7 що побажали залишитися невідомими читають цей форум.

Модератор:  valdex, doctor_b, moderator 

Роздрукувати всю тему

Права
      Ви не можете створювати нові теми
      Ви не можете відповідати на повідомлення
      HTML дозволений
      UBBCode дозволений

Рейтинг:
Переглядів теми: 5831

Оціните цю тему

Перейти в

Правила конференції | Календар | FAQ | Карта розділу | Мобільна версія