autoua
×
Autoua.netФорумТюнінг

Подключение динамиков в Фабии

старожил ****
45 лет (24 года за рулем), Киев
Сообщения: 558
С нами с 12.03.2005

Подключение динамиков в Фабии
      23 июля 2005 в 15:19 Гілками Прикріплені файли (13 завантажити)

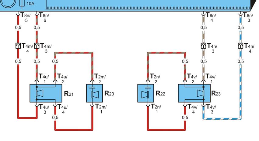
Подскажите, кто сталкивался - на рисунке схема подключения передних динамиков в Фабии. Неясно одно - какие провода "+", а какие "-"?

Подскажите, кто сталкивался - на рисунке схема подключения передних динамиков в Фабии. Неясно одно - какие провода "+", а какие "-"


Роздрукувати   Нагадати!   Сповістити модератора   Відправити по E-mail
V.I.P **
Киев
Сообщения: 16672
С нами с 10.10.2002

"+" это 6 и 4. "-" это 5 и 3 [Re: Sashkin]
      24 июля 2005 в 01:07 Гілками

Но если одновременно перепутаеш на обоих динамиках - то ничего не произойдет...

Роздрукувати   Нагадати!   Сповістити модератора   Відправити по E-mail
старожил ****
45 лет (24 года за рулем), Киев
Сообщения: 558
С нами с 12.03.2005

Re: "+" это 6 и 4. "-" это 5 и 3 [Re: Andrew82]
      24 июля 2005 в 09:57 Гілками

Спасибо!

В ответ на:

Но если одновременно перепутаеш на обоих динамиках - то ничего не произойдет...




Думаю, тогда передние с задними будут друг друга глушить. Если путать передние, надо и задние тоже путать


Роздрукувати   Нагадати!   Сповістити модератора   Відправити по E-mail
V.I.P **
Киев
Сообщения: 16672
С нами с 10.10.2002

Re: "+" это 6 и 4. "-" это 5 и 3 [Re: Sashkin]
      24 июля 2005 в 12:07 Гілками

Если передние и задние в разных плоскостях (например передние в дверях а задние на полке) то ещё неизвестно как они лучше будут звучать при одинаковой полярности или при разной... А если в одной плоскости то тогда лучше соблюдать.

Роздрукувати   Нагадати!   Сповістити модератора   Відправити по E-mail
старый писатель ***
50 лет, Харьков
Сообщения: 829
С нами с 13.02.2004

Re: Подключение динамиков в Фабии [Re: Sashkin]
      28 июля 2005 в 13:21 Гілками

Провод одного цвета (+), а который с полосой (-)

Роздрукувати   Нагадати!   Сповістити модератора   Відправити по E-mail
Autoua.netФорумТюнінг
Додаткова інформація
0 користувачів і 20 що побажали залишитися невідомими читають цей форум.

Модератор:  Nick_Nissan, fetus, Рубан, moderator 

Роздрукувати всю тему

Права
      Ви не можете створювати нові теми
      Ви не можете відповідати на повідомлення
      HTML дозволений
      UBBCode дозволений

Рейтинг:
Переглядів теми: 2699

Оціните цю тему

Перейти в

Правила конференції | Календар | FAQ | Карта розділу | Мобільна версія