autoua
×
Autoua.netФорумVolkswagen форум

Панель приборов!

подмастерье ***
43 года, Запорожье
Сообщения: 58
С нами с 21.09.2005

Панель приборов!
      14 декабря 2005 в 16:58 Гілками

Подскажите пожалуйста с какого контакта ЭБУ на двигателе 1,8 ABS можно снять показания по расходу топлива!

Роздрукувати   Нагадати!   Сповістити модератора   Відправити по E-mail
Достоевский **
42 года (24 года за рулем), Киев
Сообщения: 6730
С нами с 01.12.2002

Re: Панель приборов! [Re: Scar]
      15 декабря 2005 в 00:35 Гілками

никак , сам ты этого не сделаешь, если не знаешь программу блока и какое напряжение за какой расход отвечает , обычно для этого есть МФА , есть формула по которой он меряет там зависит от подачи воздуха , времени впрыска на форсунках и если есть еще Л-зонд играет

Роздрукувати   Нагадати!   Сповістити модератора   Відправити по E-mail
подмастерье ***
43 года, Запорожье
Сообщения: 58
С нами с 21.09.2005

Re: Панель приборов! [Re: DmitryPassat]
      17 декабря 2005 в 12:31 Гілками

Я MFA и имею в виду только вот на авто стояла приборка с аналоговыми часами привезли с тахометром и MFA вот я и спрашиваю к какому контакту можно подключить, и получить достоверную информацию!

Роздрукувати   Нагадати!   Сповістити модератора   Відправити по E-mail
Достоевский **
42 года (24 года за рулем), Киев
Сообщения: 6730
С нами с 01.12.2002

Re: Панель приборов! [Re: Scar]
      17 декабря 2005 в 12:33 Гілками

Блок надо менять для нее ! иначе никак

Роздрукувати   Нагадати!   Сповістити модератора   Відправити по E-mail
подмастерье ***
43 года, Запорожье
Сообщения: 58
С нами с 21.09.2005

Re: Панель приборов! [Re: DmitryPassat]
      17 декабря 2005 в 12:39 Гілками

Хорошо! А какой сигнал передают контакты 9,27,36.
Допустим один на тахометр а остальные


Роздрукувати   Нагадати!   Сповістити модератора   Відправити по E-mail
Достоевский **
42 года (24 года за рулем), Киев
Сообщения: 6730
С нами с 01.12.2002

Re: Панель приборов! [Re: Scar]
      17 декабря 2005 в 12:51 Гілками

там имеется в наличии 3 блока управления МОНО-МОТРОНИК 1.2.1 , 1.2.2 , 1.2.3 , если есть 36 контакт то это 1.2.2 или 1.2.3 ножки под номерами отвечают за: 9 - Instrument Panel ,27 - Instrument Panel Some models ,36 - Instrument Panel (Conected Pin - no test data available or random digital signal)

Роздрукувати   Нагадати!   Сповістити модератора   Відправити по E-mail
Достоевский **
42 года (24 года за рулем), Киев
Сообщения: 6730
С нами с 01.12.2002

Re: Панель приборов! [Re: DmitryPassat]
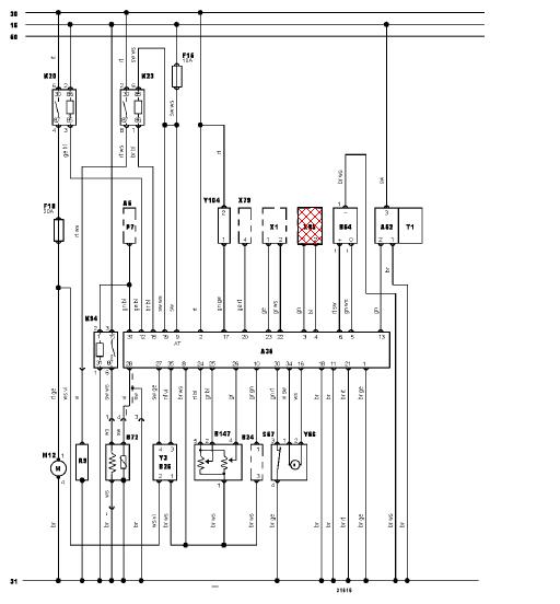
      17 декабря 2005 в 13:00 Гілками Прикріплені файли (9 завантажити)

1

1


Роздрукувати   Нагадати!   Сповістити модератора   Відправити по E-mail
Достоевский **
42 года (24 года за рулем), Киев
Сообщения: 6730
С нами с 01.12.2002

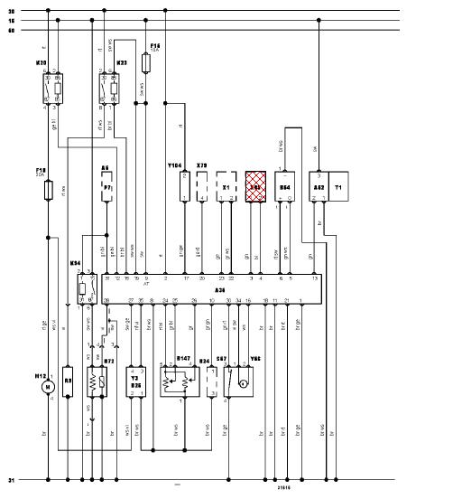
Re: Панель приборов! [Re: DmitryPassat]
      17 декабря 2005 в 13:04 Гілками Прикріплені файли (10 завантажити)

Скорей всего у тебя такой , вот куда идут ножки 9 и 36

Скорей всего у тебя такой , вот куда идут ножки 9 и 36


Роздрукувати   Нагадати!   Сповістити модератора   Відправити по E-mail
Autoua.netФорумVolkswagen форум
Додаткова інформація
0 користувачів і 2 що побажали залишитися невідомими читають цей форум.

Модератор:  moderator 

Роздрукувати всю тему

Права
      Ви не можете створювати нові теми
      Ви не можете відповідати на повідомлення
      HTML дозволений
      UBBCode дозволений

Рейтинг:
Переглядів теми: 2652

Оціните цю тему

Перейти в

Правила конференції | Календар | FAQ | Карта розділу | Мобільна версія