autoua
×
Autoua.netФорумРадіо

Помогите со схемой :)

афропохухоль ***
Киев
Сообщения: 5553
С нами с 28.02.2004

Помогите со схемой :)
      1 марта 2015 в 23:30 Гілками Прикріплені файли (0 завантажити)

Есть ардуиновская плата. Аналоговые входы 0..5В
Ардуина запитана от батарейки (с DC StepPUP преобразователем) и может питаться от автомобильного аккума тоже через DC-DC конвертер. Обе точки сводятся в одну через диоды шоттки.
В случае питания от аккумулятора общая масса с машиной есть.
В случае от батарейки общей массы с машиной нет.
Надо померить напряжение в сети автомобиля (стрелочки к лампе) с учетом возможной перепутанной полярности на щупах.
Внизу на картинке облачко - это как раз та схема, которую я никак не могу понять. От нее на аналоговый вход ардуино должно прибыть 0..5В, что должно соответствовать исходному диапазону измерения -15В..+15В. то есть исходный 0 в средней точке должен выглядеть как 2.5В

Если я правильно понимаю, есть 2 варианта.
1. Поставить делитель на резисторах, который напряжение АКБ опустит до -2.5..+2.5В и просуммировать это с +2.5В от самой ардуины
2. Собрать это все на операционном усилителе

Но тут я зависаю намертво ибо никак не могу понять что делать с общей массой. Если полярность соблюдена, тогда "-" с АКБ можно соединить с "-" батарейки и вроде все просто.
А если полярность перепутали?

В общем, просьба помочь со схемой в облаке.

Есть ардуиновская плата. Аналоговые входы 0

Змінено boomych (23:36 01/03/2015)


Роздрукувати   Нагадати!   Сповістити модератора   Відправити по E-mail
Супер писатель! ****
Сообщения: 2631
С нами с 22.02.2010

Re: Помогите со схемой :) [Re: boomych]
      2 марта 2015 в 01:42 Гілками

boomych 01.03.2015 23:30 пишет:


А если полярность перепутали?






минус батарейки и АКБ соединить в любом случае
а к лампочке подключать 2 аналоговых входа ардуино
(через делители разумеется)
и по разнице вычислять напряжение на лампочке

Змінено bybra (01:43 02/03/2015)


Роздрукувати   Нагадати!   Сповістити модератора   Відправити по E-mail
афропохухоль ***
Киев
Сообщения: 5553
С нами с 28.02.2004

Re: Помогите со схемой :) [Re: bybra]
      2 марта 2015 в 11:58 Гілками

bybra 02.03.2015 01:42 пишет:

boomych 01.03.2015 23:30 пишет:


А если полярность перепутали?






минус батарейки и АКБ соединить в любом случае
а к лампочке подключать 2 аналоговых входа ардуино
(через делители разумеется)
и по разнице вычислять напряжение на лампочке



жесть...
я еще надеялся и осциллограмму получить в ардуине. но с такими раскладами ее хер получишь)


Роздрукувати   Нагадати!   Сповістити модератора   Відправити по E-mail
Супер писатель! ****
Сообщения: 2631
С нами с 22.02.2010

Re: Помогите со схемой :) [Re: boomych]
      2 марта 2015 в 15:23 Гілками

boomych 02.03.2015 11:58 пишет:

...но с такими раскладами ее хер получишь)




почему?


Роздрукувати   Нагадати!   Сповістити модератора   Відправити по E-mail
афропохухоль ***
Киев
Сообщения: 5553
С нами с 28.02.2004

Re: Помогите со схемой :) [Re: bybra]
      2 марта 2015 в 16:00 Гілками

bybra 02.03.2015 15:23 пишет:

boomych 02.03.2015 11:58 пишет:

...но с такими раскладами ее хер получишь)



почему?




Эмм. А как? Я не понимаю что должно быть в облаке чтобы:
- защититься от переполюсовки
- получить два четких выхода.


Роздрукувати   Нагадати!   Сповістити модератора   Відправити по E-mail
Супер писатель! ****
Сообщения: 2631
С нами с 22.02.2010

Re: Помогите со схемой :) [Re: boomych]
      2 марта 2015 в 16:58 Гілками

два делителя 12/5

один подключен к "+" на лампочке и одному аналоговому входу ардуино (например А1) и на общую землю,
а второй подключен к "-" лампочке и второму аналоговому входу ардуино (например А2) и на общую землю

теперь смотрим:
если на А1 будет 1023, а на А2 0, то на лампочке 12 вольт и полярность правильная
если на А2 будет 1023, а на А1 0, то на лампочке 12 вольт и полярность перепутана


Роздрукувати   Нагадати!   Сповістити модератора   Відправити по E-mail
афропохухоль ***
Киев
Сообщения: 5553
С нами с 28.02.2004

Re: Помогите со схемой :) [Re: bybra]
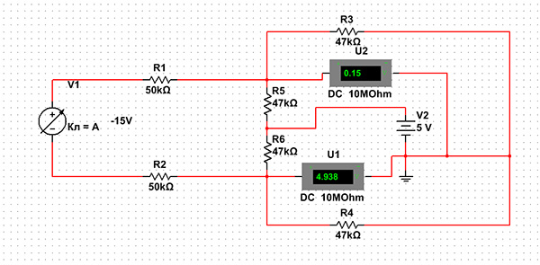
      2 марта 2015 в 22:35 Гілками Прикріплені файли (0 завантажити)

Оно?
закладывался на +15..-15В

Оно. закладывался на +15


Роздрукувати   Нагадати!   Сповістити модератора   Відправити по E-mail
афропохухоль ***
Киев
Сообщения: 5553
С нами с 28.02.2004

Re: Помогите со схемой :) [Re: boomych]
      2 марта 2015 в 22:37 Гілками

кстати, нашел схему решения на ОУ. Но по даташиту INA159 работает в диапазоне -10..+10 при опорном +5.
Теперь надо понять как пересчитать граничные диапазоны для -15..+15 и пойдет ли под это дело что-то типа LM324


Роздрукувати   Нагадати!   Сповістити модератора   Відправити по E-mail
Autoua.netФорумРадіо
Додаткова інформація
0 користувачів і 122 що побажали залишитися невідомими читають цей форум.

Модератор:  plexmen, moderator 

Роздрукувати всю тему

Права
      Ви не можете створювати нові теми
      Ви не можете відповідати на повідомлення
      HTML дозволений
      UBBCode дозволений

Рейтинг:
Переглядів теми: 3196

Оціните цю тему

Перейти в

Правила конференції | Календар | FAQ | Карта розділу | Мобільна версія