autoua
×
Autoua.netФорумLada (ВАЗ) форум

Есть проблема.

подмастерье
40 лет, Украина
Сообщения: 71
С нами с 26.08.2008

Есть проблема.
      26 августа 2008 в 23:35 Гілками Прикріплені файли (0 завантажити)

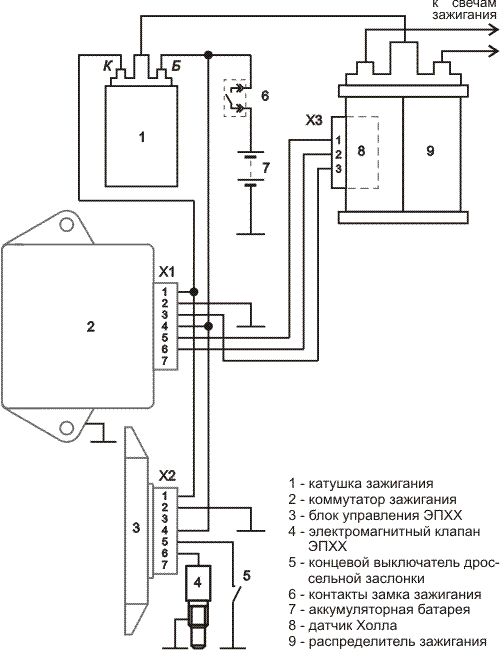
Поставил карб. SOLEX-21083 на ВАЗ-2106, и возник вопрос - как подключить блок управления ЭПХХ (для экономии топлива). Где-то слыхал что если ставить солекс на классику, то можно подключать блок ЭПХХ 5003.3761 (семь клемм), но как, может у кого-то есть информация на эту тему?

На будущее - правильно озвучиваем название темы, дабы не нарушать правила 4.2 д)

Поставил карб. SOLEX-21083 на ВАЗ-2106, и возник вопрос - как подключить блок управления ЭПХХ (для экономии топлива)

Змінено Bivaliy (13:24 27/08/2008)


Роздрукувати   Нагадати!   Сповістити модератора   Відправити по E-mail
старый писатель ****
18 лет за рулем, Киев
Сообщения: 862
С нами с 21.09.2005

Re: Есть проблема. [Re: GOLEM]
      27 августа 2008 в 09:25 Гілками

А в чем проблема то?
ты сам схему привел. Вот собери по схеме и будет счастие.
Это если у тебя стоит распределитель с датчиком холла.
Еще момент есть - есть более новые коммутаторы, у которых блок ЭПХХ встроен.


Роздрукувати   Нагадати!   Сповістити модератора   Відправити по E-mail
подмастерье
40 лет, Украина
Сообщения: 71
С нами с 26.08.2008

Re: Есть проблема. [Re: mirror]
      27 августа 2008 в 20:48 Гілками

Да будет тебе известно, что схема эта для девятки (для которой и предназначен солекс-21083), а на ваз-2106 (тем более выпуска 1979 года как у меня) и в помине не было ни датчика холла ни коммутатора зажигания. Приобретение этих недостающих штук и переделка системы конечно же стоит денежных знаков, что не очень радует.

Роздрукувати   Нагадати!   Сповістити модератора   Відправити по E-mail
старожил **
Киев
Сообщения: 572
С нами с 21.02.2008

Re: Есть проблема. [Re: GOLEM]
      27 августа 2008 в 23:13 Гілками

А без всего этого ты ЭПХХ туда не присобачиш.

Роздрукувати   Нагадати!   Сповістити модератора   Відправити по E-mail
старожил **
Киев
Сообщения: 572
С нами с 21.02.2008

Re: Есть проблема. [Re: GOLEM]
      27 августа 2008 в 23:17 Гілками

Есть один простой способ, ставиш тумблер обороты поднялись выше1900 выключил питание на клапане опустились включил!

Роздрукувати   Нагадати!   Сповістити модератора   Відправити по E-mail
старый писатель ****
18 лет за рулем, Киев
Сообщения: 862
С нами с 21.09.2005

Re: Есть проблема. [Re: GOLEM]
      28 августа 2008 в 09:49 Гілками

В ответ на:

Да будет тебе известно, что схема эта для девятки (для которой и предназначен солекс-21083), а на ваз-2106 (тем более выпуска 1979 года как у меня) и в помине не было ни датчика холла ни коммутатора зажигания. Приобретение этих недостающих штук и переделка системы конечно же стоит денежных знаков, что не очень радует.




Мне это известно очень хорошо! Именно такая схема реализована у меня в машине, причем штатно, т.к. я езжу на 2109 (выпуска 1988 года).

Теперь о твоей "проблеме". Ты усовершенствуешь! свой автомобиль, ты же не купил родной карб. на свою модель - ты решил поставить лучше. И теперь жалуешься, что надо еще что-то менять, чтобы получить ПОЛНУЮ функциональность от переделок.

В классике система ХХ немного иначе реализована. Или ты миришся с ограниченной функциональностью, или доделываешь все по уму (кстати, это можно и позже сделать...)

П.С. А чтобы таки доделать полный функционал - тебе еще и обратку от карба в бак тянуть надо.

П.П.С.

Ни управление ХХ ни обратка не дадут сколько нибудь ощутимо заметного уменьшения потребления топлива.

Удачи в апгрейде !


Роздрукувати   Нагадати!   Сповістити модератора   Відправити по E-mail
подмастерье
40 лет, Украина
Сообщения: 71
С нами с 26.08.2008

Re: Есть проблема. [Re: mirror]
      28 августа 2008 в 13:55 Гілками

У меня обратка подключена через клапан и тройник к бензопроводу (до бензонасоса). Интересно, эффективность та же что и в случае вывода обратки прямо в бак? Кстати, по этому вопросу чего-то нашел здесь http://zar.potwater.kg/stat/zamenaephh.php[/url] но схема какая то недоделанная.

Роздрукувати   Нагадати!   Сповістити модератора   Відправити по E-mail
энтузиаст ****
46 лет, Ужгород
Сообщения: 332
С нами с 19.06.2007

Re: Есть проблема. [Re: GOLEM]
      28 августа 2008 в 17:49 Гілками

на счет обратки минуя бак - думаю что эффективность гораздо ниже. Для чего нужна обратка в принципе? Для того, чтобы охлаждать бензонасос "свежим бензином". Если обратка врезана сразу перед бензонасосом, то в таком случае нагретый под капотом бензин тут же снова попадает в насос и... круг замкнулся. Другой вариант, если этот "подкапотно-нагретый бензин" попадает обратно в бак, смешивается там со значительной частью топлива, которое имеет более низкую температуру чем под капотом, и снова попадает в насос - так и происходит его (бензонасоса) охлаждение.

Роздрукувати   Нагадати!   Сповістити модератора   Відправити по E-mail
старый писатель ****
18 лет за рулем, Киев
Сообщения: 862
С нами с 21.09.2005

Re: Есть проблема. [Re: GOLEM]
      28 августа 2008 в 18:57 Гілками

В ответ на:

У меня обратка подключена через клапан и тройник к бензопроводу (до бензонасоса). Интересно, эффективность та же что и в случае вывода обратки прямо в бак? Кстати, по этому вопросу чего-то нашел здесь ]http://zar.potwater.kg/stat/zamenaephh.php[/url] но схема какая то недоделанная.




Так может стоит сформулировать в чем именно состоит проблема.
Я до сих пор не понял этого момента.
Мало исходных данных.
У тебя есть обыкновенное контактное зажигание и карбюратор новый - это понятно.
Ты хочешь реализовать ЭПХХ? Что для этого тебе не хватает? Блока управления ЭПХХ семиконтактного? или еще чего-то?

По поводу обратки - не знаю, не думаю, что это сколько нибудь существенно может влиять на количество потребляемого топлива. Знаю, что ее глушили вообще при такой установке.

Кстати, а какой у тебя расход то? За что боремся? И двиг. (объем) какой?

ЗЫ: Я спрошу в субботу как это делали вживую.
ЗЗЫ: Ссылку поправь.


Роздрукувати   Нагадати!   Сповістити модератора   Відправити по E-mail
подмастерье
40 лет, Украина
Сообщения: 71
С нами с 26.08.2008

Re: Есть проблема. [Re: mirror]
      28 августа 2008 в 21:59 Гілками

Машина ваз-2106, двиг 1,6 зажигание контактное с вакуумным корректором, карбюратор солекс -21083, расход бензина в районе 9,5 л. на сотню в смешанном режиме (тормоза не трут, подшипники- норма, давление в колесах- норма и т.д.). Двиг после капремонта прошел 7,5 тыс. масло castrol, нагар на свечах кирпичного цвета (вроде нормально). И тут думаю поставлю блок управления ЭПХХ 5003.3761 (семь клемм) чтоб клапан работал (мож всетаки меньше будет жрать), знакомые говорили что умельцы ставили такие блоки не смотря на отсутствие датчика Холла и коммутатора. В инете нашел статью на эту тему, но нужная схема оказалась какой- то недоколыханной- ничего не понятно. Вот http://zar.potwater.kg/stat/zamenaephh.php
Еще проблема: на холодный (и это летом!) оч. трудно тронуться с места, как будто не хватает мощности, нужно сильно газовать. Но на прогретом моторе машина просто пуля. Может бензин г-но?


Роздрукувати   Нагадати!   Сповістити модератора   Відправити по E-mail
старожил ****
Киев
Сообщения: 620
С нами с 28.10.2006

Re: Есть проблема. [Re: GOLEM]
      28 августа 2008 в 23:54 Гілками

Всё дело в том, что карбюраторы, устанавливаемые на 08-09 рассчитаны для работы с электронным зажиганием. Они сильно забедняют смесь и плохо работают с контактной системой. Для полного использования возможностей этих карбюраторов нужно ставить электронику, в противном случае придётся искусственно обогащать смесь и весь эффект не будет стоить ни копейки. На более поздних выпусках "классики", начали устанавливать 08-09 карбюраторы, но и систему зажигания тоже ставили 08. На базаре есть вся установочная байда со жгутами, катушкой, трамблёром и блоком ЭПХХ. Только потраченные средства не отобьются. Экономия практически неощутима!!!

Роздрукувати   Нагадати!   Сповістити модератора   Відправити по E-mail
Супер писатель! ***
Киев
Сообщения: 2551
С нами с 04.08.2006

Re: Есть проблема. [Re: GOLEM]
      2 сентября 2008 в 12:04 Гілками

У меня тоже 2106 79-го года 1.6 л. И тоже поставил солекс-21083. только совместно с бесконтактным зажиганием. уж не помню, по каким соображениям я его ставил, но ЭПХХ не подключал. Клапан с выломанной иглой. Расход по трассе, если ехать 100 по спидометру, то 8 литров.
единственная проблема с этим карбом у меня - иногда перестает полностью открываться воздушная заслонка после утопления ручки подсоса. Это приводит к переобогащению смеси, повышенному расходу, засиранию свечей -> машина дергается. Отлавливаю по повышенным холостым оборотам. А вообще-то солекс-21083, как я читал, душит двиг 1.6л. Для этого движка вроде солекс-21053.

З.Ы. ИМХО, лучше, если финансы позволяют, поставь бесконтактное зажигание. вроде стабильнее работает.


Роздрукувати   Нагадати!   Сповістити модератора   Відправити по E-mail
подмастерье
40 лет, Украина
Сообщения: 71
С нами с 26.08.2008

Re: Есть проблема. [Re: vitoking]
      2 сентября 2008 в 21:36 Гілками

По поводу заслонки, так наверное тросик короткий нужно заменить. Я так думаю что меня натянули с карбюратором все эти советчики, говорили что меньше будет расход чем с карб. 2107, но получается наоборот. У меня до этого стоял копеечный, да такой раздолбанный, что [*****], но расход с ним был тот же что и сейчас с новым. Хотя едет машина лучше не буду врать.
Еще можно тот рычажок (рис) через который соединяются тяги от педали к карбюротору перевернуть наоборот, чтоб поменялись местами длинное и короткое плечо, (может придется подпилить чтоб не упирался в крышку), так педаль газа станет менее чувствительной что как мне кажется лучше- при неосторожном нажатии обороты не подскакивают.


Роздрукувати   Нагадати!   Сповістити модератора   Відправити по E-mail
энтузиаст ***
60 лет, Киев
Сообщения: 246
С нами с 02.09.2005

Re: Есть проблема. [Re: GOLEM]
      3 сентября 2008 в 09:28 Гілками

Вижу два варианта:
а. Поставить трамблер для классики с датчиком Хола + комутатор + управление ЭППХ
б. Поставить "Октан-4" + коммутатор от Зубилы.

Мое ИМХО - вариант "б"


Роздрукувати   Нагадати!   Сповістити модератора   Відправити по E-mail
старый писатель ****
18 лет за рулем, Киев
Сообщения: 862
С нами с 21.09.2005

Re: Есть проблема. [Re: GOLEM]
      3 сентября 2008 в 10:55 Гілками

По поводу тросика, который нужно заменить: у меня тоже была такая проблема плюс очень туго сам тросик ходил. Я закапал в рубашку немного (грамм 10) масла моторного (пока не полилось в салоне, там где ручка крепится)и выровнял конец который к заслонке крепится. Отрегулировал, чтобы полностью открывалась и все стало на свои места. Бонус - тросик очень легко теперь ходит.

По поводу блока управления ЭПХХ. Ставили его в таком же варианте как у тебя. Ему датчик холла не нужен. Схем за давностью лет не сохранилось.


Роздрукувати   Нагадати!   Сповістити модератора   Відправити по E-mail
подмастерье
40 лет, Украина
Сообщения: 71
С нами с 26.08.2008

Re: Есть проблема. [Re: mirror]
      3 сентября 2008 в 23:34 Гілками

В общем понял - ничего мне не даст этот клапан, пусть так ездит.

Роздрукувати   Нагадати!   Сповістити модератора   Відправити по E-mail
Супер писатель! ***
Киев
Сообщения: 2551
С нами с 04.08.2006

Re: Есть проблема. [Re: GOLEM]
      5 сентября 2008 в 00:38 Гілками

В ответ на:

По поводу заслонки, так наверное тросик короткий нужно заменить.




Не, там как раз тросик нормальный. проблема в рычаге. тросик иногда гнется в дугу, но рычаг до конца не смещает (это когда проблема вылазит).

А клапана таки да, ничего заметного не даст. просто плюс еще одна ненадежная система


Роздрукувати   Нагадати!   Сповістити модератора   Відправити по E-mail
подмастерье
40 лет, Украина
Сообщения: 71
С нами с 26.08.2008

Re: Есть проблема. [Re: vitoking]
      5 сентября 2008 в 12:03 Гілками

В ответ на:

В ответ на:

По поводу заслонки, так наверное тросик короткий нужно заменить.




Не, там как раз тросик нормальный. проблема в рычаге. тросик иногда гнется в дугу, но рычаг до конца не смещает (это когда проблема вылазит).

А клапана таки да, ничего заметного не даст. просто плюс еще одна ненадежная система



Наверное нужно смазать солидолом все трущиеся тяги и рычаги карбюратора (на новом смазка есть с завода). Или может раздолбана сама воздуш. заслонка и клинит где-то об стенку.


Роздрукувати   Нагадати!   Сповістити модератора   Відправити по E-mail
Autoua.netФорумLada (ВАЗ) форум
Додаткова інформація
0 користувачів і 5 що побажали залишитися невідомими читають цей форум.

Модератор:  fetus, Bivaliy, moderator 

Роздрукувати всю тему

Права
      Ви не можете створювати нові теми
      Ви не можете відповідати на повідомлення
      HTML дозволений
      UBBCode дозволений

Рейтинг:
Переглядів теми: 10031

Оціните цю тему

Перейти в

Правила конференції | Календар | FAQ | Карта розділу | Мобільна версія